Koti > Tuotteet > Pultti > Neliömäinen pultti > Neliömäiset hiiliteräspultit
        Neliömäiset hiiliteräspultit
        • Neliömäiset hiiliteräspultitNeliömäiset hiiliteräspultit
        • Neliömäiset hiiliteräspultitNeliömäiset hiiliteräspultit
        • Neliömäiset hiiliteräspultitNeliömäiset hiiliteräspultit
        • Neliömäiset hiiliteräspultitNeliömäiset hiiliteräspultit
        • Neliömäiset hiiliteräspultitNeliömäiset hiiliteräspultit

        Neliömäiset hiiliteräspultit

        Hiiliteräsmetriset nelikantaiset pultit, joita käytetään yleisesti rakentamisessa, puuntyöstössä ja vanhemmissa koneissa, tarjoavat vintage- tai raskaan kaluston. Xiaoguolle® – kokeneelle kiinnikkeiden toimittajalle – tällaisten pulttien tasainen tuotelaatu on keskeinen sitoumus.
        Malli:ASME/ANSI B18.2.1-1-1972

        Lähetä kysely

        Tuotteen Kuvaus

        Se, kuinka hyvin hiiliteräksiset nelikantaiset pultit kestävät, riippuu enimmäkseen niiden materiaalilaadusta. Yleiset hiiliteräslaadut ovat 4,6 (ne voivat kestää vähintään 400 MPa vedettäessä), 5,6 (500 MPa), 8,8 (800 MPa), 10,9 (1000 MPa) ja 12,9 (1200 MPa).

        Tavallisilla ruostumattomilla teräksillä, kuten A2-304 ja A4-316, on erittäin käytännöllinen ominaisuus - niitä ei ole helppo ruostua. Niillä on kuitenkin pieni rajoitus, joka on se, että niiden kestämä vetovoima ei yleensä ole kovin suuri, yleensä välillä 500-700 MPa. Korkeamman luokan metriset nelikantaiset pultit (8,8 ja uudemmat) on lämpökäsitelty niiden vahvistamiseksi.

        Tuoteparametrit

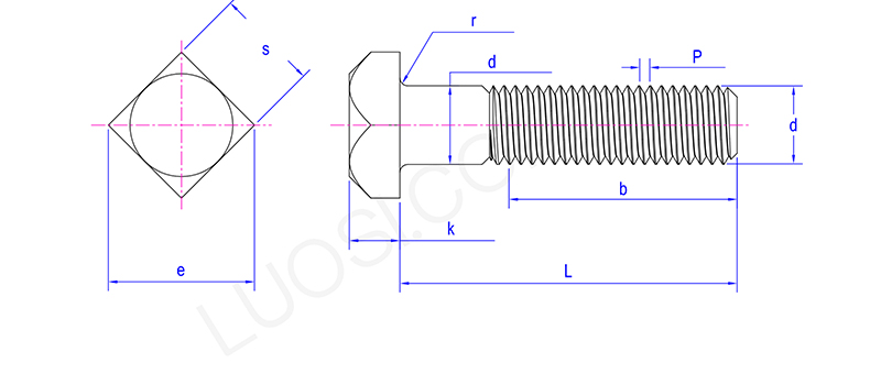
        ma 3/8 7/16 1/2 5/8 3/4 7/8 1 1-1/8 1-1/4 1-3/8 1-1/2
        P 16|24|32 14|20|28 13|20|28 11|18|24 10|16|20 9|14|20 8|12|20 7|12|18 7|12|18 6|12|18 6|12|18
        ds max 0.388 0.452 0.515 0.642 0.768 0.895 1.022 1.149 1.277 1.404 1.531
        s max 0.562 0.625 0.75 0.938 1.125 1.312 1.5 1.688 1.875 2.062 2.25
        s min 0.544 0.603 0.725 0.906 1.088 1.269 1.45 1.631 1.812 1.994 2.175
        e max 0.795 0.884 1.061 1.326 1.591 1.856 2.121 2.386 2.652 2.917 3.182
        e min 0.747 0.828 0.995 1.244 1.494 1.742 1.991 2.239 2.489 2.738 2.986
        k max 0.268 0.316 0.348 0.444 0.524 0.62 0.684 0.78 0.876 0.94 1.036
        k min 0.232 0.278 0.308 0.4 0.476 0.568 0.628 0.72 0.812 0.872 0.964
        r max 0.03 0.03 0.03 0.06 0.06 0.06 0.09 0.09
        0.09
        0.09
        0.09
        r min 0.01 0.01
        0.01
        0.02 0.02
        0.02
        0.03 0.03
        0.03
        0.03
        0.03

        Carbon Steel Metric Square Head Bolts


        Tuotetiedot

        Hiiliteräksisten metristen nelikantaisten pulttien asentamiseen tarvitset oikean kokoisia kiintoavaimet, säädettävät jakoavaimet tai erityiset neliömäiset hylsyt. Riittävän tiukalla, mutta ei liikaa on väliä – sinun on noudatettava ehdotettuja vääntömomenttilukuja. Nämä riippuvat pultin halkaisijasta, materiaalilaadusta, kierteen noususta ja siitä, onko se voideltu.

        Tekninen käyttöskenaario (Lisätiedot) Jos liitosta ei kiristetä vakiomomentin mukaan (tai "jos kiristysaste ei täytä standardia"), liitos todennäköisesti löystyy myöhemmin, mikä vaatii toissijaista tarkastusta ja vahvistamista. Kun pultin kiristysmomentti ylittää määritellyn arvon, pultti on helppo saada plastisesti venymään tai katkeamaan suoraan. Liitoksen vakauden varmistamiseksi ja pulttien rikkoutumisen estämiseksi on noudatettava tarkasti valmistajan tai suunnitteluosaston antamia vääntömomenttiohjeita.

        FAQ

        K: Minkä kokoista jakoavainta tarvitaan hiiliteräksisten metristen nelikantaisten pulttien asentamiseen? Onko se sama kuin langan koko?

        V: Hiiliteräksisten metristen nelikantaisten pulttien jakoavaimen koko (leveys litteiden osien poikki) on suurempi kuin kierteen halkaisija. Esimerkiksi metrinen neliökantainen pultti, kuten M12, voidaan yleensä kiristää 19 mm:n avaimella. Mutta älä käytä sitä vain suoraan. Tutustu ensin pultin kokotaulukkoon ja etsi oikea avain ennen sen asentamista ja kiristämistä.



        Hot Tags: Hiiliteräsmetriset nelikantaiset pultit, Kiina, valmistaja, toimittaja, tehdas
        Aiheeseen liittyvä luokka
        Lähetä kysely
        Ole hyvä ja lähetä kyselysi alla olevalla lomakkeella. Vastaamme sinulle 24 tunnin kuluessa.
        X
        Käytämme evästeitä tarjotaksemme sinulle paremman selauskokemuksen, analysoidaksemme sivuston liikennettä ja mukauttaaksemme sisältöä. Käyttämällä tätä sivustoa hyväksyt evästeiden käytön. Tietosuojakäytäntö
        Hylätä Hyväksyä