Hiiliteräksen tiivistysmutterit ovat eräänlainen kiinnitys, jota käytetään ohuiden levyjen tai levymetallien kytkemiseen. Ne on valmistettu hiiliterästä, karkaistuista ja sammutuksista kovuuden lisäämiseksi, ja pinta on galvanoitu tai muuten valmistettu korroosiosta kestäväksi.
Tiivistysmutteri on melko suoraviivainen, voit käyttää tavanomaisia pneumaattisia tai hydraulisia kiinnitystyökaluja. Näin se toimii: Laita ensin mutteri esikäsitettyyn reikään, käytä sitten rei'itys- ja kuole-asetettua paineita. Muotin painetaan ohutlevymutterin Clinch -kauluksen ympärille muodostaen kiinteän mekaanisen lukon yhdessä nopeassa vaiheessa.
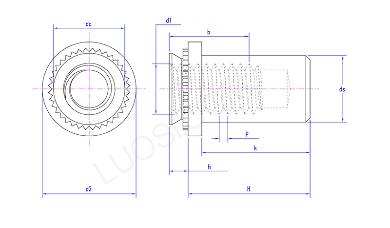
| Maanantai | M3-1 | M3-2 | M4-1 | M4-2 | M5-1 | M5-2 | M6-1 | M6-2 |
| P | 0.5 | 0.5 | 0.7 | 0.7 | 0.8 | 0.8 | 1 | 1 |
| DS Max | 3.84 | 3.84 | 5.2 | 5.2 | 6.35 | 6.35 | 8.75 | 8.75 |
| DC Max | 4.2 | 4.2 | 5.38 | 5.38 | 6.33 | 6.33 | 8.73 | 8.73 |
| B min | 5.3 | 5.3 | 7.1 | 7.1 | 7.1 | 7.1 | 7.8 | 7.8 |
| H Max | 0.91 | 1.38 | 0.97 | 1.38 | 0.97 | 1.38 | 1.38 | 1.38 |
| H Max | 9.85 | 9.85 | 11.45 | 11.45 | 11.45 | 11.45 | 14.55 | 14.55 |
| H min | 9.35 | 9.35 | 10.95 | 10.95 | 10.95 | 10.95 | 14.05 | 14.05 |
| K Max | 8.5 | 8.5 | 9.8 | 9.8 | 9.8 | 9.8 | 12.7 | 12.7 |
| D2 Max | 6.6 | 6.6 | 8.2 | 8.2 | 9 | 9 | 11.35 | 11.35 |
| D2 min | 6.1 | 6.1 | 7.7 | 7.7 | 8.5 | 8.5 | 10.85 | 10.85 |
| D1 | M3 | M3 | M4 | M4 | M5 | M5 | M6 | M6 |
Hiiliteräksen tiivistysmutterit määritetään avainmittauksilla: lankakoko (kuten M4, M5, M6 tai 1/4 "-20), Clinch-kauluksen halkaisija, kokonaiskorkeus, tiivistäminen pesukoneiden mitat ja arkin paksuusalue, jolla ne toimivat (sekä min että maksimi).
Heidän klinikkavoimansa (kuinka hyvin he vastustavat työntämistä tai kiertymistä) testataan teollisuusstandardien perusteella (ajattele ISO, DIN, IFI). Oikean koon valitseminen on iso juttu, se varmistaa, että sinetti pitää ja mutteri on riittävän vahva työhön.
Hiiliteräksen tiivistysmutterin asentamiseksi tarvitset erikoistuneen kiinnitystyökalun ja muottisarjan, joka vastaa tarkalleen mutterin kokoa. Laita mutteri ensin esiasetettuun reikään ohutlevylle. Sitten työkalu soveltaa ohjattua painetta, mikä tekee mutterin lentäjästä ja Knurl -uppoaa ympäröivään metalliin. Tämä kylmämuodostusprosessi lukitsee ruostumattomasta teräksestä valmistetun mutterin paikoilleen hyväksi ja samalla se puristaa sisäänrakennetun tiivistimen aluslevyn paneelia vasten. Näin se luo vuodonkestävän sinetin, joka tekee näistä muttereista ainutlaatuisia.
