Koti > Tuotteet > Nasta > Pistä > Clevis Pin
        Clevis Pin
        • Clevis PinClevis Pin
        • Clevis PinClevis Pin
        • Clevis PinClevis Pin
        • Clevis PinClevis Pin
        • Clevis PinClevis Pin

        Clevis Pin

        Haarukkatappi on pyöreä tappi, jota käytetään koneen osien tiiviiseen yhdistämiseen. Käytettynä haarukkatapin ja tangon kanssa, se sopii esineisiin, joita on käännettävä tai saranoitava. Xiaoguo® on johtava maailmanlaajuinen viejä, joka on erikoistunut korkealaatuisten kiinnikkeiden toimittamiseen teollisiin sovelluksiin.
        Malli:SAE J493-1961

        Lähetä kysely

        Tuotteen Kuvaus

        A haarukkatappion tärkeä kiinnike. Sitä käytetään pitämään osia yhdessä koneissa, joissa niitä on käännettävä tai yhdistettävä suoraa linjaa pitkin. Siinä on pyöreä akseli, jonka toiseen päähän on porattu reikä sokkaa tai halkaisurengasta varten. Tämä estää sitä epäonnistumasta, kun on paljon stressiä tai raskasta kuormaa. Suunnittelu on yksinkertainen, mutta sitkeä, joten se on helppo laittaa sisään ja ottaa pois. Tämä tekee siitä hyvän valinnan asetuksiin, joissa asioita on säädettävä usein.

        Näet näitä tappeja paljon kytkennöissä, ohjausjärjestelmissä ja raskaissa koneissa. Ne pitävät kaiken vakaana antaen osien pyöriä tai liikkua. Ne on valmistettu tiettyjen standardien mukaan, joten turvallisia ja pitkäikäisiä osia tarvitsevat teollisuudenalat luottavat niihin paljon.

        Niitä käytetään vivustoissa, ohjausjärjestelmissä ja raskaissa koneissa, jotta liitetyt osat voivat pyöriä tai liikkua, mutta ne toimivat vakaasti eivätkä ne pääse paikaltaan. Valmistamme tapit laatustandardien mukaisesti ja niitä käytetään usein teollisuudessa, jotka vaativat turvallisia ja kestäviä osia.

        clevis pin

        Koko

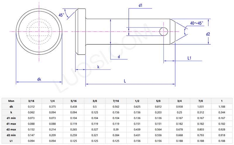
        Clevis pintulee vakiokoot: halkaisijat 1/4 tuumaa 2 tuumaa ja pituudet 0,5 tuumaa 12 tuumaa. Ne noudattavat normeja, kuten ASME B18.8.1 tai ISO 2341. Jos tarvitset mukautettuja kokoja erikoiskoneisiin, ne voidaan valmistaa tiukoilla toleransseilla, jopa ±0,001 tuuman kokoisina. Tapin läpi menevä reikä (sokkalle tai R-klipsille) on koneistettu tarkasti, joten se on täydellisesti linjassa.

        Saatavilla on sekä metrisiä että imperiaalisia versioita, joten ne toimivat kaikkialla maailmassa. Valmistajat antavat CAD-malleja avuksi suunnittelussa. Asennuksissa, jotka värisevät paljon, on vaihtoehtoja, joissa on uurretut tai uritetut pinnat estämään tappia liukumasta.

        clevis pin parameter

        Yleiset materiaalit ja kestävyys

        Meidänclevis tapiton valmistettu korkealaatuisesta ruostumattomasta teräksestä tai hiiliteräksestä. Hiiliterästapit on lämpökäsitelty, jotta ne ovat vahvempia ja kulutusta kestävämpiä. Ruostumattomasta teräksestä valmistetut tapit eivät ruostu helposti, mikä sopii erittäin hyvin ankariin ympäristöihin. Hiiliterästappeihin lisäämme sinkitystä tai muita ruosteenestokerroksia suojaamaan niitä.

        Tarkistamme huolellisesti jokaisen nastaerän varmistaaksemme, että kovuus ja koko ovat yhdenmukaiset. Tällä tavalla ne voivat toimia vakaasti ja pitkäkestoisesti sovelluksissa, kuten mekaanisissa nivelissä, maatalouskoneissa tai rakennuskoneissa. Jos tarvitset kuormaasi tai ympäristöösi sopivaa materiaalia, ilmoita siitä meille, niin räätälöimme sen sinulle.


        Tuotteen pintakäsittely

        Näiden tappien pintakäsittelyt keskittyvät pääasiassa ruosteenkestävyyteen ja kulumissuojaukseen sopimalla erilaisiin käyttöympäristöihin. Yleisin on sinkkipinnoitus – tämä prosessi pinnoittaa pinnalle ohuen sinkkikerroksen, joka pysäyttää hapettumisen ja on kustannustehokas yleiseen sisäkäyttöön. Ulkotiloissa tai kosteissa tiloissa käytetään galvanointia; se on paksumpi kuin sinkitys ja kestää paremmin sadetta ja kosteutta. Jotkut tapit saavat mustaoksidikäsittelyn, mikä lisää tummaa pintaa ja lievää korroosionkestävyyttä, joita käytetään usein koneen osissa, jotka eivät vaadi korkeaa ruosteenestokykyä. Passivointi on toinen vaihtoehto, pääasiassa ruostumattomasta teräksestä valmistettujen tappien luontaisen korroosionkestävyyden parantamiseksi. Käsittelyprosessi noudattaa alan peruskäytäntöjä varmistaen, että kerros tarttuu hyvin eikä irtoa helposti. Clevis Pin saa oikean pintakäsittelyn käyttötarkoituksensa perusteella, joten se säilyttää suorituskykynsä ajan mittaan ilman ylimääräistä huoltoa.  

        Tuotteiden tekniset tiedot ja arvosanat

        Tekniset tiedot ja laadut vaihtelevat eri sovellusten tarpeiden mukaan ja selkeitä standardeja on noudatettava. Koot mitataan halkaisijan ja pituuden mukaan. Ne vaihtelevat pienistä halkaisijaltaan 3 mm:n tapeista kevyeen käyttöön suurempiin 20 mm+ tappeihin raskaaseen käyttöön. Pituus kattaa yleensä 10–150 mm, ja jotkut valmistajat valmistavat mukautettuja kokoja pyynnöstä. Neulan päätyyli on myös spesifikaatio – useimmissa on litteä pää tai pyöristetty pää, jonka toisessa päässä on reikä sokkalle sen lukitsemista varten. Arvosanat liittyvät materiaalin lujuuteen; yleiset hiiliterästapit noudattavat ASTM-standardeja, ja korkeampia laatuja käytetään kantaviin sovelluksiin. Ruostumattomasta teräksestä valmistetut tapit noudattavat usein AISI-standardeja, ja ne on merkitty materiaalinumeroilla, kuten 304 tai 316. Jokainen tapi on merkitty teknisillä tiedoilla ja laadulla, jotta käyttäjät voivat valita oikean. Clevis Pin täyttää vastaavat standardit kullekin luokalle, mikä varmistaa, että se sopii kuormaan ja käyttöympäristöön ilman, että se vastaa suorituskykyä.




        Hot Tags: Clevis Pin, Kiina, valmistaja, toimittaja, tehdas
        Aiheeseen liittyvä luokka
        Lähetä kysely
        Ole hyvä ja lähetä kyselysi alla olevalla lomakkeella. Vastaamme sinulle 24 tunnin kuluessa.
        X
        Käytämme evästeitä tarjotaksemme sinulle paremman selauskokemuksen, analysoidaksemme sivuston liikennettä ja mukauttaaksemme sisältöä. Käyttämällä tätä sivustoa hyväksyt evästeiden käytön. Tietosuojakäytäntö
        Hylätä Hyväksyä