Koti > Tuotteet > Nasta > Pyöreä nasta > CNC-koneistetut Clevis-tapit
        CNC-koneistetut Clevis-tapit
        • CNC-koneistetut Clevis-tapitCNC-koneistetut Clevis-tapit
        • CNC-koneistetut Clevis-tapitCNC-koneistetut Clevis-tapit

        CNC-koneistetut Clevis-tapit

        2.CNC-koneistetut Clevis-tapit ovat akselitappeja, joissa on pyöristetyt päät, jotka on kiinnitetty tapinrei'illä ja sokalla tai lukkomuttereilla. Niitä käytetään yleisesti mekaanisten komponenttien, kuten nivelten ja ohjausvarsien, yhdistämiseen. Xiaoguon CNC-koneistetut Clevis-tapit on CNC-koneistettu korkean tarkkuuden ja lujuuden varmistamiseksi, joten voit ostaa luottavaisin mielin.

        Lähetä kysely

        Tuotteen Kuvaus

        Varastossamme on CNC-koneistettuja Clevis-tappeja joukossa yleisiä kokoja, joiden halkaisija on noin M3-M24 ja pituus 10-200 mm, joten ne sopivat useimpiin vakioreikiin. Tärkeät osat, kuten pään koko ja varren pituus, on tehty vastaamaan tavallisia teknisiä tietoja.

        CNC Machined Clevis Pins

        Eri töissä meillä on eri arvosanat. Siellä on tavallinen laatu jokapäiväiseen käyttöön ja tarkempi, kun tarvitset tiukempaa istuvuutta, kuten autoissa tai lentokoneissa. Kaikki ne on tehty yleisten sääntöjen, kuten ISO 2341, mukaisesti, joten saat saman asian joka kerta. Tämä tarkoittaa vain sitä, että CNC-koneistetut Clevis-tapit on valmistettu toimimaan vakiokiinnikkeiden ja osien kanssa useimmissa laitteissa.

        Tuotteiden laadunvalvonta

        Suoritamme standardinmukaisia ​​laatutarkastuksia näille CNC-koneistetuille Clevis-tapeille varmistaaksemme, että ne toimivat oikein. Jokainen niistä mitataan halkaisijan, pituuden ja reiän sijainnin mukaan, jotta varmistetaan, että koot ovat oikeat. Testaamme myös itse materiaalia varmistaaksemme, että se on oikeaa tyyppiä ja tarpeeksi vahvaa ja kovaa.

        Tarkistamme pinnan yli naarmuja, karkeita reunoja tai muita merkkejä, jotka voivat olla ongelmallisia. Kaikki tehdään alan yleisten sääntöjen, kuten ISO 2341, mukaisesti. Pidämme jokaisen erän testeistä kirjaa, jotta voimme seurata niitä myöhemmin.

        Näiden tarkastusten jälkeen CNC-koneistetut Clevis-tapit ovat hyviä tavallisiin töihin tai vaativampiin sovelluksiin, joissa niiden on kestettävä.

        Q&A-istunto

        K: Mitä standardeja CNC-koneistetut Clevis Pins -tapit ovat?

        V: Vakiomuotoiset CNC-koneistetut Clevis-tappimme on valmistettu täyttämään eritelmät, kuten ISO 2341 tai ANSI B18.8.1. Tämä varmistaa tapin halkaisijan, pään ja reiän tasaiset mitat, mikä takaa luotettavan istuvuuden ja vaihdettavuuden kokoonpanoissasi.

        CNC Machined Clevis Pins


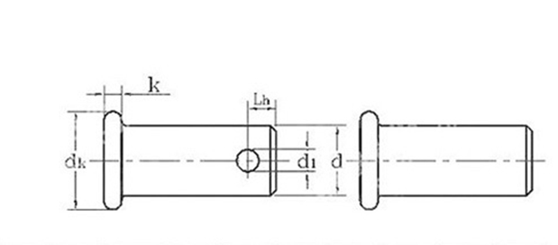
        yksikkö: mm
        d max 3 4 5 6 8 10 12 14 16 18 20
        min 2.94 3.925 4.925 5.925 7.91 9.91 11.89 13.89 15.89 17.89 19.87
        dk max 5 6 8 10 12 14 16 18 20 22 25
        min 4.7 5.7 7.64 9.64 11.57 13.57 15.57 17.57 19.48 21.48 24.48
        k nimellinenL 1.5 2 2.5 3 3.5 4
        max 1.625 2.125 2.625 3.125 3.65 4.15
        min 1.375 1.875 2.375 2.875 3.35 3.85
        d1 min 1.6 2 3.2 4 5 5
        max 1.74 2.14 3.38 4.18 5.18 5.18
        Lh min 1.6 2.2 2.9 3.2 3.5 4.5 5.5 6 6 7 8



        Hot Tags: CNC-koneistetut Clevis Pins, Kiina, valmistaja, toimittaja, tehdas
        Aiheeseen liittyvä luokka
        Lähetä kysely
        Ole hyvä ja lähetä kyselysi alla olevalla lomakkeella. Vastaamme sinulle 24 tunnin kuluessa.
        X
        Käytämme evästeitä tarjotaksemme sinulle paremman selauskokemuksen, analysoidaksemme sivuston liikennettä ja mukauttaaksemme sisältöä. Käyttämällä tätä sivustoa hyväksyt evästeiden käytön. Tietosuojakäytäntö
        Hylätä Hyväksyä