Koti > Tuotteet > Ruuvi > Ristiuritettu ruuvi > Ristit upotetut pienet pannupääruuvit
      Ristit upotetut pienet pannupääruuvit
      • Ristit upotetut pienet pannupääruuvitRistit upotetut pienet pannupääruuvit
      • Ristit upotetut pienet pannupääruuvitRistit upotetut pienet pannupääruuvit
      • Ristit upotetut pienet pannupääruuvitRistit upotetut pienet pannupääruuvit
      • Ristit upotetut pienet pannupääruuvitRistit upotetut pienet pannupääruuvit
      • Ristit upotetut pienet pannupääruuvitRistit upotetut pienet pannupääruuvit

      Ristit upotetut pienet pannupääruuvit

      Ristiä upotetuissa pienissä astialueissa on upotettu asema, joka toimii Phillipsin tai Pozidriv -ruuvimeisselien kanssa. Ne voivat helposti asentaa tiukkoihin tiloihin.xiaoguo® on ammattitaitoinen valmistaja, joka toimittaa ajoissa, vastaa nopeasti asiakkaiden tarpeisiin ja tuottaa taloudellisia ja edullisia tuotteita.
      Malli:GB/T 823-2016

      Lähetä kysely

      Tuotteen Kuvaus

      Ristit upotetut pienet pannupääruuvitViime aikoina. Ruostumattomasta teräksestä valmistetut tai päällystetyt versiot eivät ruostu helposti, joten joudut harvoin vaihtamaan ne. Suhteellisissa asennuksissa, dab jonkin verran letranlukkoa asennettuna estämään ne heiluttaen löysäksi. Jos he ovat vaikeissa paikoissa, tarkista ne silloin tällöin ruostetta tai pukeutumista varten.

      Puhdista lempeillä puhdistusaineilla (ei karkeita tavaroita), jotta pinnoitteet pitävät ehjänä. Ulkosuuttoja varten ruosteen estäminen nopeasti auttaa uudestaan ​​ja uudestaan. Kun kiristät, älä kampia liian kovaa, vain tarpeeksi kiinnittyäksesi poistamatta päätä tai hammastelematta materiaalia. Pidä kiinni tästä, ja nämä ruuvit pysyvät kiinteinä ja näyttävät kunnolliselta pitkällä aikavälillä.

      Cross recessed small pan head screws

      Piirteet

      Ristit upotetut pienet pannupääruuviton rakennettu tekemään asennuksesta yksinkertaisempia ja kiinnittämään yhteisiä päänsärkyjä. Ristikorttiinen paikka pitää ruuvimeisselin keskittyneenä, joten se liukuu vähemmän kuin vanhat litteät ruuvit. Mushroom Headissa on sileät, pyöristetyt reunat-ei teräviä bittejä, jotka ovat turvallisempia, jotta ihmiset käsittelevät usein.

      Tasainen pääristit upotetut pienet pannupääruuvitIstuu huuhtelemaan ennalta porattuihin reikiin ilman aukkoja (ei hankalia pullistumia). Vaikka pään lyhyt, leveä pohja leviää painetta paremmin, joten ohuet materiaalit eivät halkeile kuten tavallisilla ruuveilla. Lisäksi tavalliset Phillips -työkalut toimivat niiden kanssa, eikä korjaamiseen tarvita erityisiä varusteita. Pohjimmiltaan ne ovat vain käytännöllisempiä kuin perusruuvit päivittäisiin töihin.

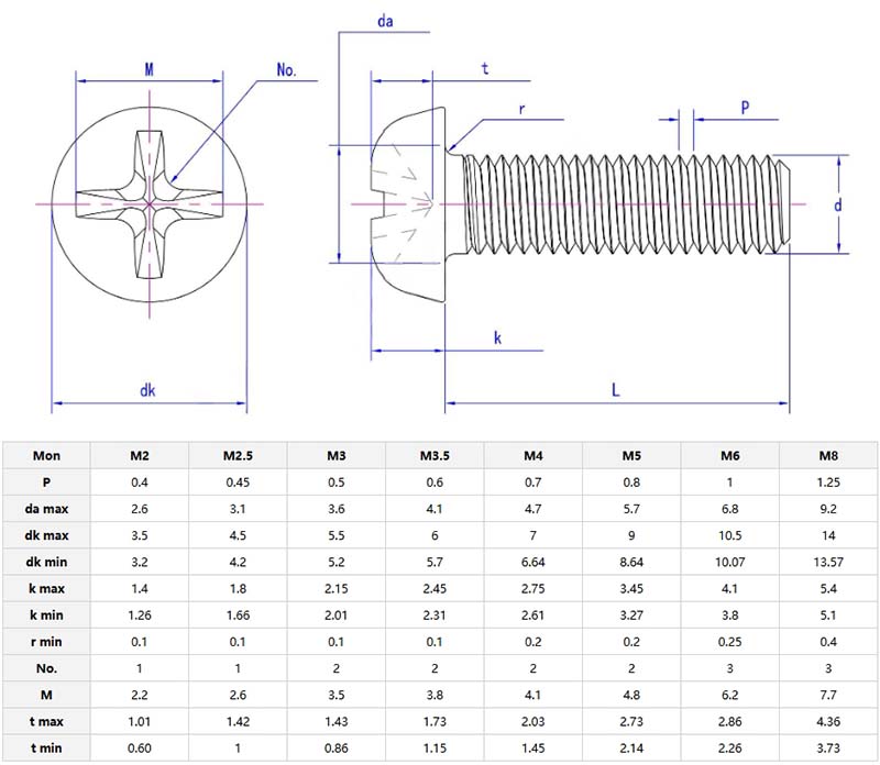
      Cross recessed small pan head screws parameter

      Laatustandardit

      K: teeristit upotetut pienet pannupääruuvitNoudata kansainvälisiä standardeja, kuten ROHS tai Reach?

      V:Ristit upotetut pienet pannupääruuvitYleensä täyttävät standardit, kuten ROHS, Reach ja ISO 9001. Ruostumattomasta teräksestä valmistettuja tyyppejä ei ole lyijyä tai toksiineja, jotka seuraavat EU: n sääntöjä. Sertifikaatit varmistavat, että haitalliset aineiden kaltaiset kadmium- tai kuusiarvoiset kromit ovat turvallisen tason alapuolella. Elektroniikka- tai lääketieteellisille yrityksille valmistajat toimittavat materiaalilmoituksia ja testiraportteja. Jos tarvitset räätälöityjä elintarvikkeiden käyttöön, ne voidaan tehdä myös FDA- tai NSF-standardien täyttämiseen.


      Hot Tags: Ristit upotetut pienet pannupääruuvit, Kiina, valmistaja, toimittaja, tehdas
      Aiheeseen liittyvä luokka
      Lähetä kysely
      Ole hyvä ja lähetä kyselysi alla olevalla lomakkeella. Vastaamme sinulle 24 tunnin kuluessa.
      X
      We use cookies to offer you a better browsing experience, analyze site traffic and personalize content. By using this site, you agree to our use of cookies. Privacy Policy
      Reject Accept