Koti > Tuotteet > Pultti > Kuusikulmaisen laipan pultti > Kuusikulmapultit laipalla
        Kuusikulmapultit laipalla
        • Kuusikulmapultit laipallaKuusikulmapultit laipalla
        • Kuusikulmapultit laipallaKuusikulmapultit laipalla
        • Kuusikulmapultit laipallaKuusikulmapultit laipalla

        Kuusikulmapultit laipalla

        Xiaoguon® valmistamiin laipallisiin kuusiokolopultteihin luotetaan asiakkaita kaikkialla maailmassa. Tiukkaa valvontaa on toteutettu koko tuotantoprosessin ajan. Jos haluat tiedustella hintoja, ota yhteyttä.
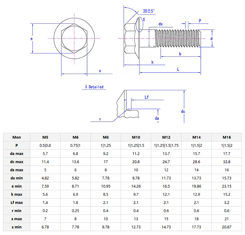
        Malli:ISO 15071-1999

        Lähetä kysely

        Tuotteen Kuvaus

        allakuusiopultit laipalla, siinä on levyn kaltainen laippa. Sen ansiosta pulteilla on erityinen rooli asioiden yhdistämisessä. Tällainen pultti voi toimia monissa paikoissa, joissa liitosvaatimukset ovat suhteellisen korkeat.

        Hexagon Bolts With Flange

        Sovellukset ja parametrit

        Kuusikulmapultit laipallavoi estää sateen ja ruosteen. Kuumasinkityn pintakäsittely mahdollistaa niiden käytön aidoissa, vajaissa tai terassien kehyksissä. Laippalevyt voivat estää pulttien juuttumisen puuhun tai ohueen metalliin eivätkä vaadi kiillotuskäsittelyä. Ne sopivat takapihan rakennuksiin.

        Käytetään pölyisissä työpajoissa ja maatiloilla. Hammaslaippa voi pitää ruosteisen liitoksen tiukasti kiinni, eikä kuusikulmainen pää putoa edes suurella vääntömomentilla. Niitä voidaan käyttää traktoreissa, viljasiiloissa ja raskaissa hyllyissä.


        Paksutettu laippalevyrakenne on integroitukuusikulmainen pultti laipalla, joka yhdistää kuusikulmaisen pään ajo-ominaisuudet aksiaaliseen kuorman hajoamistoimintoon. Otetaan esimerkkinä teollisuusmoottorit. Käytön aikana syntyvä tärinä voi helposti aiheuttaa perinteisten kiinnittimien kulumista tai esijännityksen vaimennusta. Kuusikulmainen laippapultti voi tehokkaasti tukahduttaa tärinäenergian siirtymisen liitäntärajapintaan laippalevyn vaimennusvaikutuksen ja kosketuspinnan paineen jakautumisen optimoinnin kautta.

        Hexagon Bolts With Flange

        Tuotteen myyntivaltti

        Suurin myyntivalttikuusiopultit laipallaon, että liitos on vakaa ja se voi tehokkaasti hajauttaa painetta. Ne lisäävät kosketusaluetta yhdistettyjen esineiden kanssa. Kiristettynä voima voi jakautua tasaisesti, mikä tekee liitoksesta turvallisemman ja vähentää materiaalivaurioita. Sillä on vahvempi kyky vastustaa tärinää.


        Hot Tags: Kuusikulmapultit laipalla, Kiina, valmistaja, toimittaja, tehdas
        Aiheeseen liittyvä luokka
        Lähetä kysely
        Ole hyvä ja lähetä kyselysi alla olevalla lomakkeella. Vastaamme sinulle 24 tunnin kuluessa.
        X
        Käytämme evästeitä tarjotaksemme sinulle paremman selauskokemuksen, analysoidaksemme sivuston liikennettä ja mukauttaaksemme sisältöä. Käyttämällä tätä sivustoa hyväksyt evästeiden käytön. Tietosuojakäytäntö
        Hylätä Hyväksyä