Koti > Tuotteet > Pultti > Kuusikulmainen pultti > Kuusikulmainen ruuvi vyötäröllä varrella
        Kuusikulmainen ruuvi vyötäröllä varrella
        • Kuusikulmainen ruuvi vyötäröllä varrellaKuusikulmainen ruuvi vyötäröllä varrella
        • Kuusikulmainen ruuvi vyötäröllä varrellaKuusikulmainen ruuvi vyötäröllä varrella
        • Kuusikulmainen ruuvi vyötäröllä varrellaKuusikulmainen ruuvi vyötäröllä varrella

        Kuusikulmainen ruuvi vyötäröllä varrella

        Vyötärövarrella varustettu kuusiokoloruuvi on ruuvi, jonka varressa on halkaisijaltaan pienempi osa. Tämän osan pinta on suhteellisen sileä ja siinä ei ole kierteitä. Xiaoguo®-pulteilla on riittävä varasto, ja ne on valmistettu tiukasti GB/T 838-1988 -standardin mukaisesti. Voimme tarjota ilmaisia ​​näytteitä varastossa.
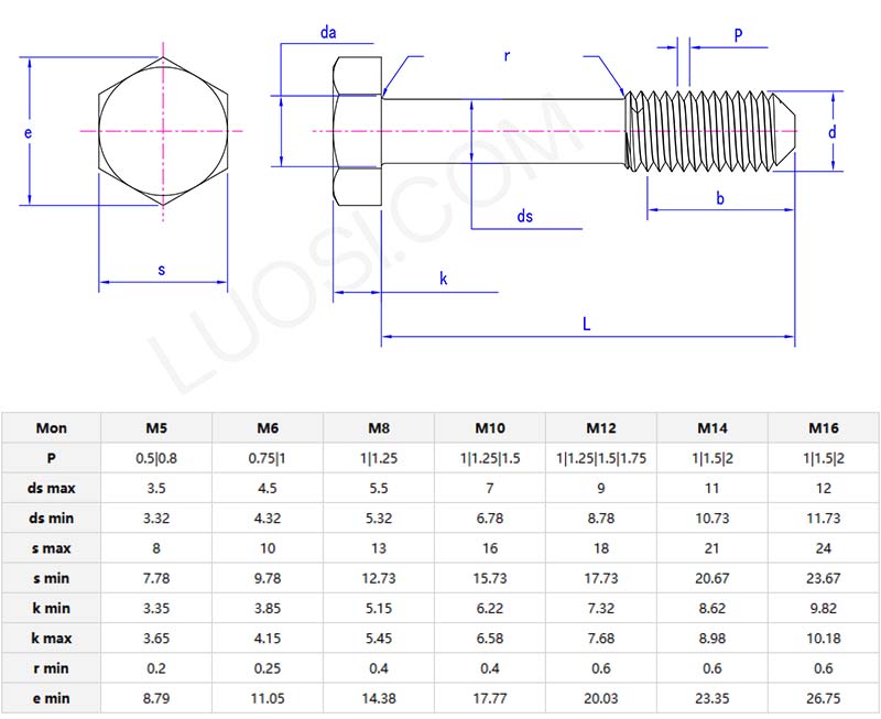
        Malli:GB/T 838-1988

        Lähetä kysely

        Tuotteen Kuvaus

        Kuusikulmainen ruuvi vyötäröllä varrellaon suhteellisen kapea osa (" vyötärö ") sormen ja kierreosan välillä. Se vähentää painoa ja materiaalia pitäen samalla kuusikulmaisen kannan, jolloin pultti on helppo kiristää avaimella tai holkilla.

        Vyötärövarrella varustetuissa kuusiokoloruuveissa on kierteetön osa. Tämä osa on välivaiheen siirtymäosa, joka voi parantaa ruuvin väsymislujuutta. Se on pääasiassa valmistettu hiiliteräksestä, ruostumattomasta teräksestä ja muista materiaaleista. Ruostumaton teräs on korroosion- ja ruosteenkestävää, kun taas hiiliteräs on edullinen ja luja. Pintapinnoite voi olla galvanoitua, mustattua, nikkelöityä jne.

        Hexagon head screw with waisted shank

        Sovellukset ja parametrit

        Mekaniikan käyttökuusiokantainen ruuvi vyötäröllä varrellaautojen jousituksissa tien törmäyksen vaimentamiseen. Tehdaskoneet käyttävät niitä säädettävien varsien tai vipujen valmistuksessa. Harrastajat asentavat ne 3D-tulostimiin tai robotteihin. Jopa ulkovarusteet, kuten taitettavat teltat tai polkupyörätelineet, käyttävät niitä tasapainottamaan jäykkyyttä ja liikkuvuutta.

        Vyötärövarrella varustetut kuusiokantaiset ruuvit auttavat helposti kohdistamaan ja kiinnittämään epätasaisia ​​pintoja. Sen vyötäröllä on tietty kaarevuus, joten sinun ei tarvitse pakottaa osia kohdistamaan täysin kohdakkain. Niitä käytetään usein maatalouskoneissa tai vanhoissa koneissa.

        Vyötärövarrella varustettuja kuusiokoloruuveja voidaan käyttää LVI- tai vesijohtoasennukseen. Sen vyötärökahva voi vähentää komponenttien, kuten mekaanisten liitosten tai säädettävien kannattimien, kitkaa. Niitä käytetään myös autoissa, ilmailussa tai rakentamisessa.

        Hexagon head screw with waisted shank parameter

        Varotoimenpiteet

        Kuusikulmainen ruuvi vyötäröllä varrellaei ole yleiskäyttöinen kiinnike. Älä siis käytä niitä puhtaalla vetovoimalla. Älä käytä niitä täyskierteisten ruuvien vaihtamiseen jäykissä liitoksissa, koska se heikentää vyötärön vakautta. Älä myöskään käytä pehmeitä materiaaleja, kuten puuta tai muovia. Kahva sopii parhaiten metallista metalliin -asennukseen.

        Hot Tags: Kuusikantainen ruuvi vyötärövarrella, Kiina, valmistaja, toimittaja, tehdas
        Aiheeseen liittyvä luokka
        Lähetä kysely
        Ole hyvä ja lähetä kyselysi alla olevalla lomakkeella. Vastaamme sinulle 24 tunnin kuluessa.
        X
        Käytämme evästeitä tarjotaksemme sinulle paremman selauskokemuksen, analysoidaksemme sivuston liikennettä ja mukauttaaksemme sisältöä. Käyttämällä tätä sivustoa hyväksyt evästeiden käytön. Tietosuojakäytäntö
        Hylätä Hyväksyä