Nte nylon insert lukkomutterion itselukin kiinnitys, jossa on nylonkaulus sisäisissä säikeissä. Kun se on ruuvattu pulttiin, nylon lukitsee kierteet ja mutteri ei todennäköisesti löysää helposti, kun värähtely tai liike on.

SeNte nylon insert lukkomutterion valmistettu materiaaleista, kuten sinkissä olevasta teräksestä tai ruostumattomasta teräksestä, se on suunniteltu koneille, ajoneuvoille tai laitteille, joissa luotettavuus on merkitystä. Toisin kuin tavalliset pähkinät,Nte nylon insert lukkomutteriEi vaadi ylimääräisiä lukituslevyjä tai liimoja - se on lukittu yksinään. Se on helppo asentaa, uudelleenkäytettävä (rajoissa) ja toimii sekä teollisuusasetuksissa että päivittäisissä korjauksissa.
KäyttääNte nylon insert lukkomutteriOsat, jotka ravistavat tai liikkuvat. Esimerkkejä: Moottoripyörän jalkapekkien kiinnittäminen, kuljettimen hihnatelan pitäminen paikoillaan tai toimistotuolien kokoaminen säädettävillä osilla. Se on kätevä myös ulkovarusteille, kuten puutarhaperävaunuille tai pyörätelineille, joissa kuopat ja sää voivat löysätä tavallisia pähkinöitä. Kotiohjelmissa se on hieno haisevien taulukoiden kiinnittämiseen tai sähkötyökalukomponenttien kiinnittämiseen, jotka värähtelevät käytön aikana.
NäetNte nylon insert lukkomutteriAutoteollisuuden valmistuksessa (moottorin kiinnikkeet, jousitusosat), LVI -järjestelmät (turvapaikkojen turvaaminen tai kanava) ja kulutustavarat, kuten pesukoneet tai liikuntapyörät. Se on yleistä myös maatalouskoneissa, polkupyörillä ja elektroniikkaryhmissä - mikä tahansa värähtelyt tai usein säädöt voivat löysätä tavallisia muttereita.

| Markkinoida |
Kokonaistulot (%) |
| Pohjois -Amerikka |
14 |
| Etelä -Amerikka |
10 |
| Itä -Eurooppa |
16 |
| Kaakkois -Aasia |
10 |
| Keski -itä |
7 |
| Itä -Aasia |
17 |
| Länsi -Eurooppa |
12 |
| Etelä -Aasia |
6 |
| Kotimarkkinat |
8 |
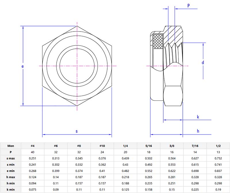
Xiaoguo® voi mukauttaaNte nylon insert lukkomutteritsinunpukut. Kuusikulmainen muotomutteriSopii vakioon jakoavaimeen, ja nylon sisällä on kulutusta kestävää. Voimme tarjota näytteitä, ja voit testata, vastaavatko ilmaiset näytteet tarpeitasi ennen suuren tilauksen tekemistä.