Koti > Tuotteet > Pultti > Neliömäinen pultti > Vino pää pultti
        Vino pää pultti
        • Vino pää pulttiVino pää pultti
        • Vino pää pulttiVino pää pultti
        • Vino pää pulttiVino pää pultti

        Vino pää pultti

        Vinokantainen pultti on yleinen kiinnike, jota käytetään laajalti koneiden valmistuksessa, rakennusteollisuudessa, autoteollisuudessa jne. Säännöllisen viestinnän ja asiakkaidemme palautteen avulla Xiaoguo® parantaa jatkuvasti palvelujamme varmistaakseen korkeimman asiakastyytyväisyyden.
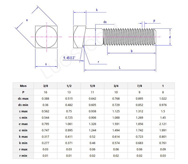
        Malli:ASME/ANSI B18.2.1-4-2012

        Lähetä kysely

        Tuotteen Kuvaus

        Vinokantainen pultti on erityinen pultti, jossa on neliömäinen pää ja ainutlaatuinen ja tunnusomainen muoto.

        Luokitus

        Kokoluokitus: Viistokantaiset pultit voidaan jakaa eri spesifikaatioihin koon mukaan, kuten M3, M4, M5 jne., jotka vastaavat erilaisia ​​​​kierrehalkaisijoita ja -pituuksia.

        Materiaaliluokitus: Eri käyttöympäristön mukaan,vinopää pultitvoidaan jakaa kahteen hiiliteräkseen ja ruostumattomaan teräkseen. Hiiliteräsmateriaalilla on korkea lujuus, mutta ei korroosionkestävyys; Ruostumattomalla teräksellä on parempi korroosionkestävyys.

        Tarkkuusluokkaluokitus: Vinokantaisten pulttien tarkkuusluokka voidaan jakaa tavalliseen ja edistyneeseen. Tavallisen luokan langan toleranssialue on suuri, sopii yleisiin tilaisuuksiin; Kehittyneet kierretoleranssit ovat pienempiä ja tarkempia, ja ne sopivat tarkkuussovelluksiin.

        Sovellusskenaariot ja asennustavat

        Mekaaninen valmistus: Vinopääpultteja käytetään laajalti mekaanisen valmistuksen alalla, kuten mekaanisissa laitteissa, työstökoneissa, voimansiirtolaitteissa jne.

        Rakennusteollisuus: Rakennusalalla vinokantisia pultteja käytetään usein kiinnittämään erilaisia ​​komponentteja, kuten palkkeja, levyjä, pylväitä jne.

        Auton valmistus: Autojen valmistusprosessissavinopää pultitkäytetään korjaamaan auton osia, kuten moottoreita, vaihteistoja jne.


        oblique head bolt

        Ennen käyttöä on varmistettava, että kierreosa on puhdas ja vapaa epäpuhtauksista sujuvan asennuksen varmistamiseksi. Kohdista viistokantaiset pultit kohdekierrereikään ja varmista, että pultti on kohdakkain reiän kanssa. Kiristä pultteja varovasti sopivalla avaimella tai ruuvimeisselillä, kunnes se ei liiku. Tarkista, että pultit on kiristetty. Jos kiristysmomentti ei saavuta vaadittua vääntömomenttia, kiristä pultit. Suorita asennus loppuunvinopää pultitja varmista, että kaikki liitososat ovat lujasti ja vakaasti.

        oblique head bolt

        oblique head bolt

        Tuotteiden tekniset tiedot ja standardit

        Tuotteen tekniset tiedotvinopää pultitovat erilaisia, M8:sta M64:ään, ja pituus vaihtelee kymmenistä millimetreistä useisiin metreihin. Markkinoilla yleisiä spesifikaatioita ovat 4.8 ja 8.8, asiakkaat voivat valita oikeat tekniset tiedot ja laatuluokat erityistarpeiden mukaan. Lisäksi nämä pultit voidaan myös räätälöidä eri muotoisten osien vaatimusten mukaan vastaamaan erityisiä käyttöskenaarioita

        Markkinoida

        Markkinoida
        Tulot (edellinen vuosi)
        Kokonaistulo (%)
        Pohjois-Amerikassa
        Luottamuksellinen
        20
        Etelä-Amerikka
        Luottamuksellinen
        4
        Itä-Eurooppaa
        Luottamuksellinen
        24
        Kaakkois-Aasia
        Luottamuksellinen
        2
        Afrikka
        Luottamuksellinen
        2
        Oseania
        Luottamuksellinen
        1
        Keski-itä
        Luottamuksellinen
        4
        Itä-Aasia
        Luottamuksellinen
        13
        Länsi-Eurooppaa
        Luottamuksellinen
        18
        Keski-Amerikka
        Luottamuksellinen
        6
        Pohjois-Eurooppa
        Luottamuksellinen
        2
        Etelä-Eurooppaa
        Luottamuksellinen
        1
        Etelä-Aasia
        Luottamuksellinen
        4
        Kotimaan markkinat
        Luottamuksellinen
        5


        Hot Tags: Vinokantainen pultti, Kiina, valmistaja, toimittaja, tehdas
        Aiheeseen liittyvä luokka
        Lähetä kysely
        Ole hyvä ja lähetä kyselysi alla olevalla lomakkeella. Vastaamme sinulle 24 tunnin kuluessa.
        X
        Käytämme evästeitä tarjotaksemme sinulle paremman selauskokemuksen, analysoidaksemme sivuston liikennettä ja mukauttaaksemme sisältöä. Käyttämällä tätä sivustoa hyväksyt evästeiden käytön. Tietosuojakäytäntö
        Hylätä Hyväksyä