Koti > Tuotteet > Pultti > Ankkuripultti > Neliöpään neliökaula -ankkuripultit
        Neliöpään neliökaula -ankkuripultit
        • Neliöpään neliökaula -ankkuripultitNeliöpään neliökaula -ankkuripultit
        • Neliöpään neliökaula -ankkuripultitNeliöpään neliökaula -ankkuripultit
        • Neliöpään neliökaula -ankkuripultitNeliöpään neliökaula -ankkuripultit

        Neliöpään neliökaula -ankkuripultit

        Neliöpään neliökaula-ankkuripultteissa on neliöpää, jonka alaosaan on kytketty neliökaula ja toisessa päässä oleva kierteitetty rakenne. Xiaoguo®-tehtaan tuottamat pultit sopivat pieniin DIY-hankkeisiin ja suurikokoisiin rakenteisiin, ja niitä voidaan käyttää hyvin betonin ja muiden kovien materiaalien kanssa.
        Malli:BS 7419-1991

        Lähetä kysely

        Tuotteen Kuvaus

        Neliön neliön neliökaula -ankkuripulttien pää on neliömäinen, samoin kaula. Square Head -suunnittelu tarjoaa jakoavaimelle suuren kontakttialueen varmistaen vakaamman voimansovelluksen. Erityisen käytännöllinen skenaarioissa, jotka vaativat voimakasta vääntömomenttia ja liukumisen vastaisia ​​toimenpiteitä.

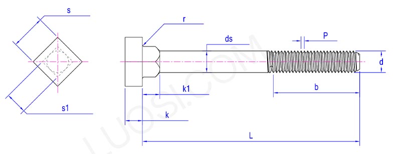
        Tuoteparametrit

        square head square neck anchor bolts parameter

        Maanantai
        M16
        M20
        M24
        M30
        M36
        M42
        M48
        M56
        M64
        P
        2 2.5 3 3.5 4 4.5 5 5.5 6
        b Max
        122 127.5 133 140.5 148 155.5 163 172.5 182
        B min
        116 120 124 130 136 142 148 156 164
        DS Max
        16.7 20.84 24.84 30.84 37 43 49 57.2 65.2
        Ds min
        15.3 19.16 23.16 29.16 35 41 47 54.8 62.8
        K -min
        9.25 11.6 14.1 17.65 21.45 24.95 28.95 33.75 38.75
        K Max
        10.75 13.4 15.9 19.75 23.55 27.05 31.05 36.25 41.25
        R min
        0.6 0.8 0.8 1 1 1.2 1.6 2 2
        s max
        24 30 36 46 55 65 75 85 95
        s min
        23.16 29.16 35 45 53.8 63.1 73.1 82.8 92.8
        K1 min
        7.25 9.25 11.1 14.1 17.1 19.95 22.95 26.95 30.75
        K1 Max
        8.75 10.75 12.9 15.9 18.9 22.05 25.05 29.05 33.25
        S1 Max
        16.7 20.84 24.84 30.84 37 43 49 57.2 65.2
        S1 min
        15.3 19.16 23.16 29.16 35 41 47 54.8 62.8

        Tuoteominaisuudet

        Neliöpään neliökaula -ankkuripultit viittaavat upotettuihin kiinteisiin pultteihin, jotka on upotettu ennen betonin jähmettyä. Kun betoni kovettuu, neliökaula lukitseepukutpaikoillaan estääkseen niitä pyörittämästä, kun mutterit kiristetään myöhemmin. Ne ovat säätiöitä, jotka ankkuroivat suoraan raskaita esineitä, kuten pylväät, koneet tai rakenteellinen teräs betonipohjaan.

        Ankkuripultit on asennettu tiukasti. Kun kiristät mutteria, neliökaula kiinnitetään tiukasti asennetuun materiaaliin, kuten betoniin tai puuhun, estääkseen pultin pyörivän mutterin kanssa. Tällä tavoin kiinteä esine voi pysyä tiukasti paikoillaan eikä ravista tai siirry helposti.

        Tämän metrisen ankkuripultin asennus suoritetaan betonin kaatamisprosessin aikana. Voit käyttää malleja tai kalusteita niiden sijoittamiseen varmistaen, että kierteitetyt päät ovat ylöspäin. Avainvaihe on upottaa neliökaula -osa märkäbetoniin. Kun betoni jähmettyy neliön kaulan ympärille, se tarttuu tiukasti neliön kaulaan. Sen jälkeen sinun on vain asetettava esine pulttiin ja kiristettävä mutteri paljaaseen kierteeseen.

        Neliöpään neliökaula-ankkuripultit ovat iskunkestäviä. Koska pultit lukittuvat fyysisesti betoniin neliön kaulaa ympäröivällä kovetetulla materiaalilla, ne ovat vähemmän todennäköisesti löysää värähtelyn tai liikkeen vuoksi. Tämä antaa heille mahdollisuuden ankkuroida värähteleviä konetta tai rakenteita, jotka ovat dynaamisia kuormia, kuten tuuli tai liikenne.


        Hot Tags: Neliönpään neliökaula -ankkuripultit, Kiina, valmistaja, toimittaja, tehdas
        Aiheeseen liittyvä luokka
        Lähetä kysely
        Ole hyvä ja lähetä kyselysi alla olevalla lomakkeella. Vastaamme sinulle 24 tunnin kuluessa.
        X
        Käytämme evästeitä tarjotaksemme sinulle paremman selauskokemuksen, analysoidaksemme sivuston liikennettä ja mukauttaaksemme sisältöä. Käyttämällä tätä sivustoa hyväksyt evästeiden käytön. Tietosuojakäytäntö
        Hylätä Hyväksyä