Koti > Tuotteet > Pultti > T-boltti > T-kantapultit neliömäisellä kaulalla
        T-kantapultit neliömäisellä kaulalla
        • T-kantapultit neliömäisellä kaulallaT-kantapultit neliömäisellä kaulalla
        • T-kantapultit neliömäisellä kaulallaT-kantapultit neliömäisellä kaulalla
        • T-kantapultit neliömäisellä kaulallaT-kantapultit neliömäisellä kaulalla
        • T-kantapultit neliömäisellä kaulallaT-kantapultit neliömäisellä kaulalla
        • T-kantapultit neliömäisellä kaulallaT-kantapultit neliömäisellä kaulalla

        T-kantapultit neliömäisellä kaulalla

        T-kantaisia ​​nelikulmaisia ​​pultteja käytetään tehdaskoneissa ja rakenteissa, kuten kuljetinjärjestelmissä tai modulaarisissa kokoonpanoissa. Niiden litteän yläosan muotoilu antaa niiden istua tasaisesti (ei työntymistä ulos) ja estää niitä pyörimästä jopa paineen alaisena. Xiaoguo®-päätuotteita ovat pultit, mutterit, ruuvit, aluslevyt ja mukautetut osat.
        Malli:DIN 186-1988

        Lähetä kysely

        Tuotteen Kuvaus

        T-kantapultit neliömäisellä kaulallaon yleensä valmistettu hyvälaatuisista materiaaleista, kuten hiiliteräs, ruostumaton teräs (A2/A4) tai seosteräs. Jokaisella materiaalilla on omat etunsa.

        Hiiliteräkset on lämpökäsitelty luokkaan 8.8 tai 10.9. Ne ovat todella vahvoja ja kestävät raskaita kuormia.

        Ruostumaton teräsT-kantapultit neliömäisellä kaulallatoimivat hyvin paikoissa, joissa on paljon korroosiota. Tämä johtuu siitä, että niissä on kromia.

        Seosteräspultit ovat lujia ja kestävät äärimmäisiä lämpötiloja.

        Valitsemme näiden pulttien valmistukseen materiaalit, jotka täyttävät alan standardit, kuten ASTM tai DIN. Käsittelemme niistä huolellisesti erikokoisia pultteja eri tarpeiden mukaan. Joissakin pulteissa käytetään rullattuja kierteitä, jotka ovat kulutusta kestävämpiä ja sopivat kovaan rasitukseen.

        T head bolts with square neck

        Sovellus

        T-kantapultit neliömäisellä kaulallakäytetään paljon teollisuudessa, jotka tarvitsevat vahvoja, säädettäviä kiinnikkeitä.

        CNC-koneet: Pultit kiinnittävät työkaluja T-uritettuihin pöytiin, mikä helpottaa tavaroiden nopeaa siirtämistä.

        Autot: Mekaanikot käyttävät niitä moottorin kiinnikkeissä ja auton rungoissa, koska ne pysäyttävät tärinän.

        Rakenne: Pultattu teräsrunko, joka voidaan korjata tai vaihtaa, jos ongelmia ilmenee.

        Kuljetinjärjestelmät: Yksinkertainen huoltaa, helppo purkaa.

        Maatalous, robotiikka ja tuulivoimalat:T-kantapultit neliömäisellä kaulallaovat joustavia ja voivat auttaa erilaisissa asennustilanteissa.

        Työntö- ja vetovoimia kestäviä T-kantaisia ​​pultteja voidaan käyttää korkeapainetoimissa, jotka vaativat turvallisuutta ja tarkkuutta.

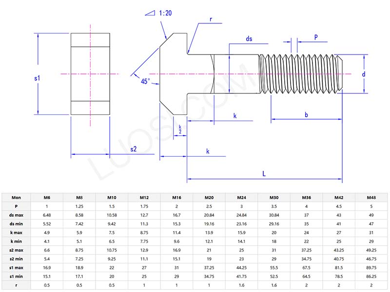
        T head bolts with square neck parameter

        FAQ

        K: Kuinka valitsen oikean materiaalilaadunT-kantapultit neliömäisellä kaulallasyövyttävissä ympäristöissä?

        V: Jos ympäristösi on ruosteinen tai syövyttävä:

        Ruostumaton teräs (kuten AISI 316/A4) on paras, sen sisältämä kromi ja nikkeli taistelevat ruostetta ja kemikaaleja vastaan.

        Onko budjetti tiukka? Sinkityt tai galvanoidut hiiliteräspultit sopivat ulko- tai merikäyttöön (ei yhtä lujia kuin ruostumaton, mutta halvempia).

        Erittäin ankariin paikkoihin (kuten offshore-lautat) valitse titaanipultit, jotka ovat korroosionkestävämpiä.

        Tarkista aina, kestääkö materiaali projektisi lämpöä ja kemikaaleja. Sertifikaatit kuten ASTM F593 (ruostumattomalle). Oikeiden pulttien valitseminen säästää rahaa korjauksissa ja vaihdoissa vaikeissa olosuhteissa.

        Hot Tags: T-kantapultit neliökaulalla, Kiina, valmistaja, toimittaja, tehdas
        Aiheeseen liittyvä luokka
        Lähetä kysely
        Ole hyvä ja lähetä kyselysi alla olevalla lomakkeella. Vastaamme sinulle 24 tunnin kuluessa.
        X
        Käytämme evästeitä tarjotaksemme sinulle paremman selauskokemuksen, analysoidaksemme sivuston liikennettä ja mukauttaaksemme sisältöä. Käyttämällä tätä sivustoa hyväksyt evästeiden käytön. Tietosuojakäytäntö
        Hylätä Hyväksyä