Koti > Tuotteet > Mutteri > Muut pähkinät > YK:n hiiliterästiivisteen puristusmutteri
        YK:n hiiliterästiivisteen puristusmutteri
        • YK:n hiiliterästiivisteen puristusmutteriYK:n hiiliterästiivisteen puristusmutteri
        • YK:n hiiliterästiivisteen puristusmutteriYK:n hiiliterästiivisteen puristusmutteri
        • YK:n hiiliterästiivisteen puristusmutteriYK:n hiiliterästiivisteen puristusmutteri
        • YK:n hiiliterästiivisteen puristusmutteriYK:n hiiliterästiivisteen puristusmutteri
        • YK:n hiiliterästiivisteen puristusmutteriYK:n hiiliterästiivisteen puristusmutteri

        YK:n hiiliterästiivisteen puristusmutteri

        Kansainväliset asiakkaat valitsevat jatkuvasti Xiaoguo® luotettavia kiinnitysratkaisuja varten. Tämä korkealaatuisesta ruostumattomasta teräksestä valmistettu UN-hiiliteräksinen tiivistysmutteri tarjoaa erinomaisen korroosionkestävyyden, joten se sopii ankariin ympäristöihin, kuten meri- tai kemianteollisuuteen.
        Malli:QIB/IND B

        Lähetä kysely

        Tuotteen Kuvaus

        Tämä hiiliteräksestä valmistettu UN-hiiliteräksinen tiivistysmutteri on erittäin vahva ja pitkäikäinen. Hiiliteräksellä on korkea vetolujuus, joten mutteri kestää ruuviliitosten mukana tulevat raskaat puristusvoimat ja kierrejännitykset. Tämä sitkeys tarkoittaa, että puristuskaulus ja mutterin runko eivät taipu tai väänny, kun asennat ne, ja ne kestävät myös normaalissa käytössä.

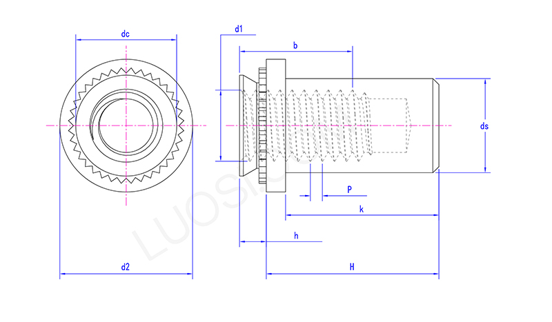
        ma 440-1 440-2 632-1 632-2 832-1 832-2 032-1 032-2 0420-1 0420-2
        P 40 40 32 32 32 32 32 32 20 20
        b min 0.21 0.21 0.23 0.23 0.28 0.28 0.28 0.28 0.31 0.31
        d1 #4 #4
        #6
        #6
        #8
        #8
        #10
        #10
        1/4 1/4
        d2 min 0.24 0.24 0.27 0.27 0.3 0.3 0.33 0.33 0.42 0.42
        d2 max 0.26 0.26 0.29 0.29 0.32 0.32 0.35 0.35 0.44 0.44
        dc max 0.165 0.165 0.187 0.187 0.212 0.212 0.249 0.249 0.343 0.343
        ds max 0.15 0.15 0.169 0.169 0.204 0.204 0.235 0.235 0.305 0.305
        h max 0.038 0.054 0.038 0.054 0.038 0.054 0.035 0.054 0.054 0.087
        H max 0.39 0.39 0.39 0.39 0.45 0.45 0.45 0.45 0.57 0.57
        H min 0.37 0.37 0.37 0.37 0.43 0.43 0.43 0.43 0.55 0.55
        k max     0,335
        0.335 0.335 0.335 0.385 0.385 0.385 0.385 0.5 0.5

        Materiaalin ominaisuudet:

        UN-hiiliteräksinen tiivistysmutteri, koska se osuu makeaan kohtaan kovuuden, koneistuksen helppouden ja kustannusten välillä. Materiaalin avulla pystymme muotoilemaan kiinnitysmuodon ja kierteet tarkasti ja se pitää muotonsa hyvin. Vaikka hiiliteräs on vahvaa, perusmetalli tarvitsee pintakäsittelyn, kuten sinkityksen ruosteen torjuntaan. Tiiviste suojaa liitosta, ei koko mutterin pintaa.

        Kuinka asentaa tehokkaasti?

        YK:n hiiliteräksisessä tiivistysmutterissa on sisäänrakennettu tiivisteosa, yleensä fluoripolymeeri (kuten PTFE) tai silikonialuslevy, joka on valettu suoraan mutteriin. Kun asennat mutterin oikealla puristusmenetelmällä, tämä tiiviste puristuu tasaisesti paneelia vasten. Ruostumattomasta teräksestä valmistettu runko muodostaa pysyvän mekaanisen lukon puristuksissa ja yhdessä puristetun tiivisteen kanssa se muodostaa todella luotettavan, tärinää kestävän ilmatiiviin esteen. Se estää nesteiden tai kaasujen vuotamisen jopa paineen alaisena, joten se on ihanteellinen säiliöihin, koteloihin tai nestejärjestelmiin.



        Hot Tags: YK:n hiiliterästiivistysmutterit, Kiina, valmistaja, toimittaja, tehdas
        Aiheeseen liittyvä luokka
        Lähetä kysely
        Ole hyvä ja lähetä kyselysi alla olevalla lomakkeella. Vastaamme sinulle 24 tunnin kuluessa.
        X
        Käytämme evästeitä tarjotaksemme sinulle paremman selauskokemuksen, analysoidaksemme sivuston liikennettä ja mukauttaaksemme sisältöä. Käyttämällä tätä sivustoa hyväksyt evästeiden käytön. Tietosuojakäytäntö
        Hylätä Hyväksyä