Koti > Tuotteet > Ruuvi > Muut ruuvit > 12-pisteinen laippapultti
        12-pisteinen laippapultti
        • 12-pisteinen laippapultti12-pisteinen laippapultti

        12-pisteinen laippapultti

        Xiaoguo® 12-pisteisen laippapultin pohjapinnassa on useita hammastuksia, jotka lisäävät kitkaa, estävät löystymisen ja vastustavat tärinää. Tarjoamme mukautetun 12-pisteisen laippapultin eri standardien ja projektivaatimusten täyttämiseksi.

        Lähetä kysely

        Tuotteen Kuvaus

        Tämän 12-pisteisen laippapultin käyttäminen on melko yksinkertaista, etkä tarvitse erikoistyökaluja useimpiin vakiotöihin. Aseta ensin valmiiksi poratut reiät osiin, jotka haluat liittää, ja varmista, että kaikki on tasaisesti ilman rakoja. Työnnä kiinnitin suoraan reikien läpi siten, että 12-pisteinen pää osoittaa ulospäin, jotta pääset siihen helposti käsiksi. Käytä 12-pisteistä hylsyavainta, joka sopii pään kokoon sen kiristämiseen; Älä käytä säädettäviä avaimia, koska ne voivat liukua ja vahingoittaa päätä. Kierrä sitä hitaasti myötäpäivään saadaksesi tasaisen paineen, ja lopeta, kun se on tiukalla – älä kiristä liikaa, koska se voi pilata kierteet tai taivuttaa laipan alustaa. Sisäänrakennettu laippa toimii kuin aluslevy, joten sinun ei tarvitse lisätä ylimääräisiä useimmiten. Parhaan tuloksen saavuttamiseksi käytä sitä puhtailla, tasaisilla pinnoilla ja tarkista ennen asennuksen aloittamista, että kierteet eivät ole vaurioituneet. Tämä helppo prosessi sopii koneiden kokoonpanoon, autokorjauksiin ja yleisiin rakennustöihin.


        Tuotteen pintakäsittely

        Tämä 12-pisteinen laippapultti saa yksinkertaiset pintakäsittelyt, jotta se kestää pidempään ja kestää päivittäistä käyttöä. Yleisin viimeistely on sinkitys, joka levittää teräkseen ohuen suojakerroksen ruosteen ja korroosion hidastamiseksi normaaleissa työoloissa. Toinen vakiovaihtoehto on musta oksidi, joka tarjoaa kevyen korroosionkestävyyden ja sileän, mattapintaisen pinnan, joka sopii hyvin sisä- tai katettuun ulkokäyttöön. Nämä pinnoitteet levitetään tasaisesti kaikkialle kiinnittimeen, mukaan lukien kierteet ja laipan pohja, jotta varmistetaan suojauksen yhtenäisyys. Emme käytä hienoja tai paksuja pinnoitteita – vain käytännöllisiä viimeistelyjä, jotka täyttävät teollisuuden perustarpeet ja kestävät säännöllistä käyttöä, tärinää ja vähäistä kosteutta. Pinta on sileä, eikä siinä ole karkeita kohtia tai epätasaisia ​​kerroksia, joten se menee helposti sisään tarttumatta reikiin tai naarmuttamatta muita osia. Nämä hoidot on testattu kestämään jokapäiväistä käyttöä ilman, että se halkeilee tai kuorii liian aikaisin.

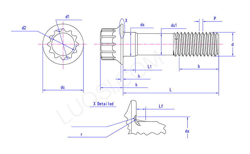
        ma M5 M6 M8 M10 M12 M14 M16 M20
        P 0.8 1 1.25 1.5 1.75 2 2 2.5
        ds max 5 6 8 10 12 14 16 20
        ds min 4.82 5.82 7.78 9.78 11.73 13.73 15.73 19.67
        dc max 9.4 11.3 15 18.6 22.8 26.4 30.3 37.4
        h min 1.7 2.1 2.7 3.4 4.1 4.8 5.7 7.2
        k max 5 6 8 10 12 14 16 20
        d1 max 5.86 7.02 9.37 11.7 14.04 16.29 18.71 23.4
        d1 min 5.71 6.82 9.17 11.5 13.84 16.06 18.48 23.17
        d2 max 5.22 6.26 8.34 10.42 12.5 14.59 16.66 20.83
        d2 min 5.07 6.06 8.14 10.22 12.3 14.36 16.43 20.6
        da max 6.1 7.4 10.1 12.5 15.7 18.1 20.5 26.1
        Lf max 1.4 1.6 2.1 2.1 2.1 2.1 3.2 4.2
        r max 0.25 0.29 0.36 0.45 0.54 0.63 0.72 0.9
        r min 0.1 0.12 0.16 0.2 0.24 0.28 0.32 0.4
        ds1 max 4.54 5.39 7.26 9.08 10.95 12.77 14.77 18.49
        ds1 min 4.36 5.21 7.04 8.86 10.68 12.5 14.5 18.16
        L1 max 3.5 4 5 6 7 8 9 11
        L1 min 2.5 3 4 5 6 7 8 10


        Q&A-istunto

        Mitä pintakäsittelymenetelmiä voit tarjota 12-pisteiselle laippapultille niiden korroosionkestävyyden parantamiseksi?

        Tarjoamme erilaisia ​​pintakäsittelyjä erilaisiin ympäristöihin. Vaihtoehtoja ovat sinkitys (keltainen/kirkas), musta oksidi ja kuumasinkitys. Sinkkipinnoite tarjoaa perussuojan kuivaan sisäkäyttöön, kun taas kuumasinkitys soveltuu ulko- ja meriolosuhteisiin estämään ruostetta ja korroosiota.


        Hot Tags: 12-pisteinen laippapultti, Kiina, valmistaja, toimittaja, tehdas
        Aiheeseen liittyvä luokka
        Lähetä kysely
        Ole hyvä ja lähetä kyselysi alla olevalla lomakkeella. Vastaamme sinulle 24 tunnin kuluessa.
        X
        Käytämme evästeitä tarjotaksemme sinulle paremman selauskokemuksen, analysoidaksemme sivuston liikennettä ja mukauttaaksemme sisältöä. Käyttämällä tätä sivustoa hyväksyt evästeiden käytön. Tietosuojakäytäntö
        Hylätä Hyväksyä