Koti > Tuotteet > Hitsausmutterit > Hitsattu mutteri > Luokan 5 hitsausmutterit tyypin 1D kanssa
        Luokan 5 hitsausmutterit tyypin 1D kanssa
        • Luokan 5 hitsausmutterit tyypin 1D kanssaLuokan 5 hitsausmutterit tyypin 1D kanssa
        • Luokan 5 hitsausmutterit tyypin 1D kanssaLuokan 5 hitsausmutterit tyypin 1D kanssa
        • Luokan 5 hitsausmutterit tyypin 1D kanssaLuokan 5 hitsausmutterit tyypin 1D kanssa

        Luokan 5 hitsausmutterit tyypin 1D kanssa

        Luokan 5 hitsausmutterit tyypin 1D kanssa täyttävät 5. luokan lujuusstandardin. Ne on suunniteltu 1D-tyyppisiksi ja soveltuvat metallipintojen hitsaukseen. Sopii keskitehoisille koneille, teräsrungoille tai teollisuuslaitteisiin. Xiaoguo®-tehtaalla on yli kymmenen vuoden kokemus kiinnikkeiden tuotannosta ja ammattitaitoinen henkilökunta vastaamaan tarpeisiisi.
        Malli:JIS B1196-2-2001

        Lähetä kysely

        Tuotteen Kuvaus

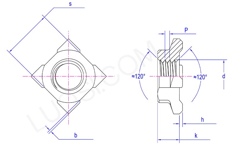
        Luokan 5 hitsausmuttereissa, joissa on tyyppi 1D, on neljä litteää sivua. Mutterin keskellä on vakiokierrereikä, jota on kätevä käyttää yhteensopivien pulttien kanssa. Mutterin hitsauspinnassa on useita pieniä ulkonemia, jotka ovat hitsauksen avainosia.

        Tuotteen edut

        Luokan 5 hitsausmuttereissa, jotka ovat tyyppiä 1D, ei ole kulmareikärakennetta. Sen sijaan pohjaan on suunniteltu pieni ja kohotettu ulkonema. Ne on suunniteltu erityisesti vastuspistehitsaukseen. Elektrodit painautuvat alaspäin ja virta kulkee kohotetun alueen läpi. Kohotettu alue sulaa välittömästi ja sulattaa mutterin alla olevaan metalliin.

        Luokan 5 hitsausmutterit tyypin 1D kanssa ovat helppoja ja nopeita hitsata. Kohdista laitteet mutterin pieniin ulkonemiin ja lämmitä hieman. Sitten mutteri voidaan nopeasti hitsata rautalevyyn tai muihin metallisiin työkappaleisiin. Verrattuna tavallisiin muttereihin, jotka vaativat ruuvaamisen asennusta varten, tämä menetelmä säästää huomattavasti aikaa. Mutteri ei todennäköisesti pyöri helposti, ja sen vakaus on paljon parempi kuin pyöreän mutterin.

        Yksi suurimmista eduista hitsattaessa tyypin 1D neliömutterit luokkaan 5 on hitsausprosessin johdonmukaisuus. Koska ulkonemat voivat tarkasti ohjata hitsaussauman muodostusasentoa, automaattinen pistehitsauskone voi saavuttaa luotettavia tuloksia jokaisessa jaksossa. Verrattuna manuaaliseen läpireikähitsaukseen, riittämättömän hitsauslujuuden mahdollisuus hitsauspistoolin kohdistusvirheen vuoksi on paljon pienempi.

        Kun olet käyttänyt luokan 5 nelikulmamuttereita tyypin 1D kanssa, tarkasta hitsauskimpaleet. Sinun pitäisi nähdä kiinteä fuusiopiste jokaisessa ulkonemassa. Sen pitäisi näyttää olevan täysin sulautunut perusmateriaaliin. Jos ulkoneman muoto on edelleen näkyvissä tai se näyttää hiiltyneeltä/naarmuuntuneelta, hitsausasetuksia (virta, aika, paine) on ehkä säädettävä turvallisen sidoksen saavuttamiseksi.

        Tuotteen parametrit

        ma
        M4 M5 M6 M8 M10 M12
        P
        0.7 0.8 1 1|1,25 1,25|1,5 1,25|1,75
        s max
        8 9 10 12 14 17
        s min
        7.64 8.64 9.64 11.57 13.57 16.57
        k max
        3.2 4 5 6.5 8 10
        k min
        2.9 3.7 4.7 6.14 7.64 9.57
        h max
        1 1 1 1 1 1.2
        h min
        0.8 0.8
        0.8
        0.8
        0.8
        1
        b max
        0.5 0.5 0.5 1 1 1
        b min
        0.3 0.3 0.3 0.5 0.5 0.5

        parameter of Class 5 weld square nuts with type 1D

        Hot Tags: Luokan 5 hitsatut neliömutterit tyypin 1D kanssa, Kiina, valmistaja, toimittaja, tehdas
        Aiheeseen liittyvä luokka
        Lähetä kysely
        Ole hyvä ja lähetä kyselysi alla olevalla lomakkeella. Vastaamme sinulle 24 tunnin kuluessa.
        X
        Käytämme evästeitä tarjotaksemme sinulle paremman selauskokemuksen, analysoidaksemme sivuston liikennettä ja mukauttaaksemme sisältöä. Käyttämällä tätä sivustoa hyväksyt evästeiden käytön. Tietosuojakäytäntö
        Hylätä Hyväksyä