Koti > Tuotteet > Niittausosat > Muovinen niitti > Laajeneva niittipidike
        Laajeneva niittipidike
        • Laajeneva niittipidikeLaajeneva niittipidike
        • Laajeneva niittipidikeLaajeneva niittipidike
        • Laajeneva niittipidikeLaajeneva niittipidike
        • Laajeneva niittipidikeLaajeneva niittipidike
        • Laajeneva niittipidikeLaajeneva niittipidike

        Laajeneva niittipidike

        Laajentuva niittipidike on muovinen kiinnike, joka asennetaan työntämällä sen joustavat piikit reiän läpi ja sitten erottamalla Xiaoguo® on valmistaja, jolla on yli kymmenen vuoden ammattikokemus kiinnitinteollisuudesta. Pystymme toimittamaan ajoissa tilauksen koosta riippumatta.
        Malli:QC/T 350-1999

        Lähetä kysely

        Tuotteen Kuvaus

        Yleisimmät materiaalit luotettaviin laajeneviin niittipidikkeisiin ovat lasivahvistettu Nylon 6/6 ja Acetal Copolymer (POM). Nylon 6/6 on vahvempi ja kestää lämpöä paremmin. POM pitää muotonsa hyvin, ei hankaa paljon ja kestää toistuvaa käyttöä kulumatta.

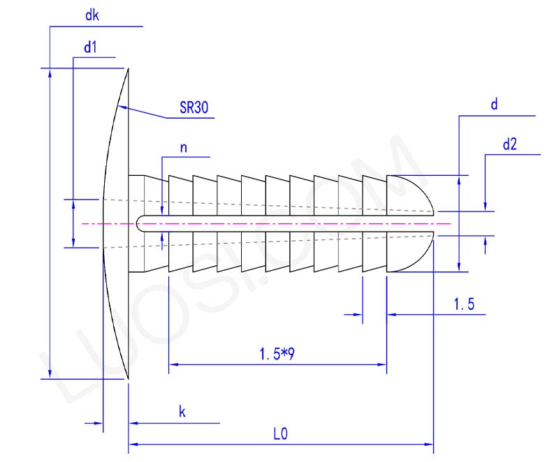
        expanding rivet clip parameter

        ma
        Φ6 Φ8
        Φ10
        d max
        6 8 10
        d min
        5.8 7.8 9.8
        dk max
        16.2 16.2 18.2
        dk min
        15.8 15.8 17.8
        k max
        1.6 1.6 2.1
        k min
        1.4 1.4 1.9
        L0
        20 20 22
        d1
        3 4 5
        d2
        1.5 2 3
        n
        1 1 1.5

        Nämä tekniset muovit varmistavat, että jakotapin runko toimii hyvin mekaanisessa rasituksessa ja vaikeissa olosuhteissa. Toisin kuin halvemmat muovit, ne eivät hajoa helposti.

        Huolto

        Laajentuvien niittipidikkeiden ylläpito on helppoa. Valmistettu korroosionkestävästä muovista, ne eivät ruostu, joten ruosteenestoaineita tai öljyjä ei tarvita. Tarkista ennen käyttöä, ettei niissä ole vaurioita, kuten halkeamia, muodonmuutoksia tai haurautta tai valkaisua pitkäaikaisen auringonvalon vaikutuksesta. Vaihtaminen on helppoa; erikoistyökaluja ei tarvita. Vedä vanha pidike irti jaloista ja vaihda se uuteen. Helppo käyttää. Tarkista niittipidikkeen kunto säännöllisesti ja vaihda se viipymättä.

        Kestääkö UV-säteilyn hajoamista pitkäaikaisessa ulkokäytössä?

        Vakiokokoisissa laajennettavissa niittipidikkeissämme on UV-suojat sisäänrakennettuna heti, kun teemme niitä. Vaikka ne olisivat alttiina auringonvalolle pitkään, se ei kuivu, haurastu tai halkeile helposti.

        Tämä UV-suoja pitää ne työssään, pysyen vahvoina, joustavina ja pitävän tiukasti tiukasti kiinni, jopa ankarissa ulkona. Ajattele traktoreita, kaivinkoneita, aurinkopaneeleja, maatalouslaitteita jne. Verrattuna tavalliseen muoviin ilman sitä, nämä vain kestävät pidempään ilman, että sinun tarvitsee hälyttää niistä.


        Hot Tags: Laajentuva niittikiinnike, Kiina, valmistaja, toimittaja, tehdas
        Aiheeseen liittyvä luokka
        Lähetä kysely
        Ole hyvä ja lähetä kyselysi alla olevalla lomakkeella. Vastaamme sinulle 24 tunnin kuluessa.
        X
        Käytämme evästeitä tarjotaksemme sinulle paremman selauskokemuksen, analysoidaksemme sivuston liikennettä ja mukauttaaksemme sisältöä. Käyttämällä tätä sivustoa hyväksyt evästeiden käytön. Tietosuojakäytäntö
        Hylätä Hyväksyä