Muovisten laajenevien niittipidikkeiden luonnolliset ominaisuudet tekevät siitä hyvän erikoiskäyttöön. Koska se ei johda sähköä, se on todella tärkeä sähkörasioissa ja suurjännitealueilla. Se ei aiheuta kipinöitä, mitä todella tarvitaan paikoissa, joissa voi tapahtua räjähdys (ATEX-vyöhykkeet).
Et myöskään pärjää ilman sitä MRI-huoneissa ja herkässä elektroniikassa, paikoissa, joissa pienetkään magneettikentät metallinastaista eivät ole sallittuja.

Hyvä muovinen laajeneva niittiklipsi käy läpi tiukat testit varmistaakseen, että se toimii johdonmukaisesti. Nämä testit tarkistavat esimerkiksi koon tarkkuuden, kuinka paljon vetoa se kestää, kuinka hyvin se käsittelee osumia ja toimiiko se eri kemikaalien kanssa.
Xiaoguon® muoviset sokkat valmistetaan alan standardien mukaisesti materiaaleista, jotka täyttävät määritellyt vaatimukset, mikä takaa suorituskyvyn. Ne pitävät esineet tiukasti ja turvallisesti paikoillaan niiden aiottuun tarkoitukseen. Metallisiin sokkaihin verrattuna muoviset ovat korroosion- ja ruosteenkestävämpiä.

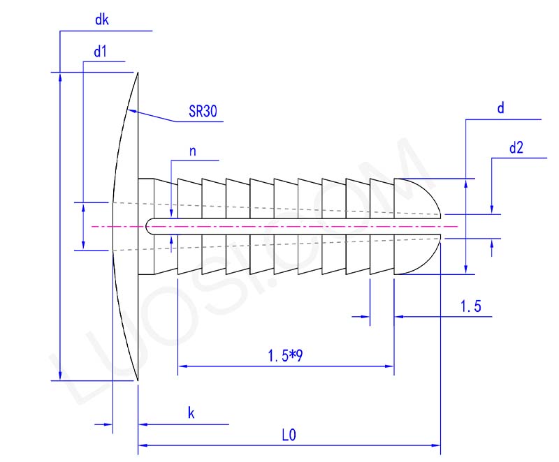
ma
Φ6
Φ8
Φ10
d max
6
8
10
d min
5.8
7.8
9.8
dk max
16.2
16.2
18.2
dk min
15.8
15.8
17.8
k max
1.6
1.6
2.1
k min
1.4
1.4
1.9
L0
20
20
22
d1
3
4
5
d2
1.5
2
3
n
1
1
1.5
Vakiomuotoiset muoviset laajenevat niittipidikkeemme on valmistettu materiaaleista, jotka ovat tärkeimpien kansainvälisten säädösten mukaisia, mukaan lukien RoHS ja REACH. Tarjoamme myös FDA-sertifioituja versioita elintarvikekosketussovelluksiin. Vaatimustenmukaisuustodistukset ovat saatavilla pyynnöstä.
Materiaalimme valitaan huolella maailmanlaajuisten standardien mukaisesti tuotannon aikana, mikä varmistaa asianmukaisten laatustandardien noudattamisen ja varmistaa turvallisen viennin ja laajan käytön maailmanlaajuisesti.