Taistella ruostetta ja kulua,silmäpultti Hanki erityisiä pinnoitteita tai hoitoja. Hiiliteräkset saavat usein kuumana galvanoitumisen-ne upotetaan kuumaan sinkkiin suojakerroksen lisäämiseksi, joka toimii hyvin ulko- tai kosteisiin ympäristöihin. Sähköplantointi muodostaa ohuen suojakerroksen, joka yleensä riittää sisäkäyttöön. Ruostumattomasta teräksestä on luontaisesti erinomaisia ruosteen ehkäisyominaisuuksia. Lisäksi suoritetaan myös lisäkäsittelyvaiheet sen ruostevastuksen parantamiseksi edelleen. Jauhepäällyste toimii suojakerroksena, joka tarjoaa vain houkuttelevamman ulkonäön, vaan myös suojaa auringonvalon altistumiselta. Nämä hoitomenetelmät auttavat niitä käytettäväksi pidemmän ajan ja pysymään tukevina jopa ankarissa olosuhteissa.

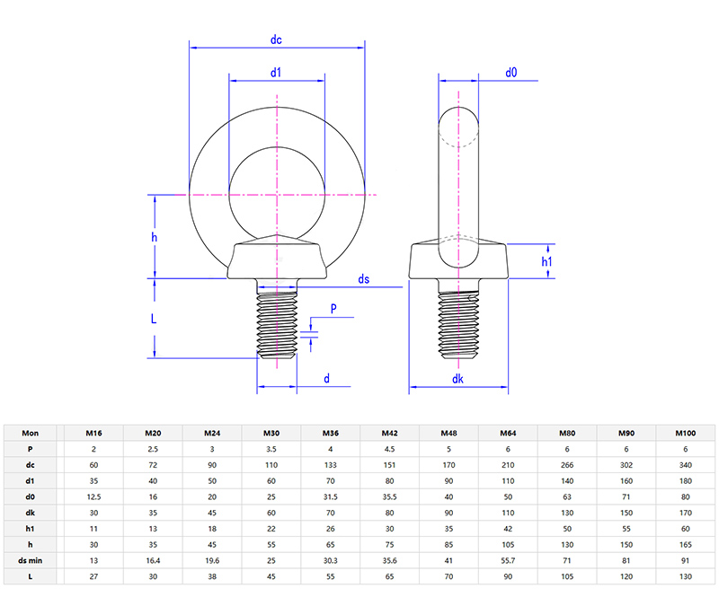
SilmäpulttiTarjoa todella vankka sekoitus voimaa, joustavuutta ja turvallisuutta. Heidän suunnittelu toimii suoran nosto- tai kulmakuormitusten suhteen, ja erilaisilla materiaaleilla ja pinnoitteilla ne sopivat kaikenlaisiin tilanteisiin. Teketkö pienen DIY -projektin tai suuren teollisuustyön, ne ovat luotettavia tavaroiden ankkurointiin. Sertifikaatit tarkoittavat, että ne ovat laadukkaita, ja erikokoisten avulla voit saada tarvitsemasi ilman ylimääräistä kuluttamista. Koska ne ovat hyvin valmistettuja ja keskittyvät käyttäjien turvallisuuden pitämiseen, pultit ovat huippuprosessia kaikkialle-ne ovat hyödyllisiä ja pitkäaikaisia melko hyvin.

K: teesilmäpultitnoudattaa kansainvälisiä turvallisuussertifikaatteja?
V: Jep, tuotteemme täyttävät CE-, OSHA- ja ISO 17025 -standardit, ja voimme tarjota testitodistuksia, jos pyydät niitä. Teemme perusteellisia laatutarkistuksia, mukaan lukien kuormitustestaus, materiaalimeikin tarkistaminen ja koko koon oikeat. Lisäämme mukautetut etiketit (kuten WLL- ja eränumerot), jotta voit seurata niitä helposti.
EU: n markkinoille, meidänsilmäpultitTäytä säännöt Machinery Dirittive 2006/42/EY: n mukaisesti, ja meillä on ROHS-yhteensopivia pinnoitteita ympäristömääräyksillä oleville projekteille. Työskentele kanssamme sertifioituihin pultteihin, jotka ovat valmiita tarkastukseen ja täyttävät alueen erityiset vaatimustenmukaisuustarpeet.