Koti > Tuotteet > Pultti > Pyöreän pään pultti > Nostosilmukkapultti
        Nostosilmukkapultti
        • NostosilmukkapulttiNostosilmukkapultti
        • NostosilmukkapulttiNostosilmukkapultti
        • NostosilmukkapulttiNostosilmukkapultti

        Nostosilmukkapultti

        XIAOGUO®:n laaja valikoima sisältää pultteja, muttereita, ruuveja ja aluslevyjä, jotka on suunniteltu äärimmäiseen kestävyyteen. Nostosilmukkapultteja on saatavana eri tyyppejä, mukaan lukien olkapää-, ei-olkapää- ja kääntyvät versiot, joista jokainen sopii tiettyihin suuntavoimiin.
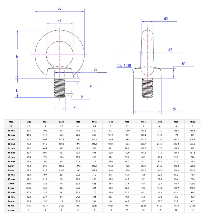
        Malli:GB/T 885-1986

        Lähetä kysely

        Tuotteen Kuvaus

        Nostosilmukkapulttiovat todella tärkeitä koneiden nostossa, lastin sitomisessa ja rakenteiden paikoillaan pitämisessä. Rakentamisessa niitä käytetään LVI-järjestelmien tai teräspalkkien ripustamiseen. Meritöissä se auttaa purjeiden riveissä tai veneiden kiinnitysvarusteiden kiinnittämisessä. Teatterin näyttämöillä niitä käytetään valaistuksen ripustamiseen, ja autokorjaamoissa ne pitävät moottorit paikallaan korjausten aikana.


        Ne eivät ole vain teollisuustavaroita varten – voit jopa käyttää niitä kotona ripustaaksesi keinuja tai jotain vastaavaa. He työskentelevät kaikessa pienistä asuntotöistä suuriin rakennusprojekteihin. Varmista vain, että käyttämäsi silmukkapultit kestävät tarvitsemasi painon. Kuormatietojen tarkistaminen on avainasemassa, jotta asiat pysyvät turvassa ja toimivat oikein riippumatta siitä, mihin käytät niitä.

        Lifting Eye Bolt

        Tuotetiedot:

        Asennusnostosilmukkapulttioikealla on todella tärkeää, miten ne toimivat. Olkapäätyyppiset on asetettava kokonaan ensin poraamaasi reikiin. Jos kuorma ei ole suorassa (kuten kulmassa), käytä sen sijaan kääntyviä silmukoita. Älä koskaan aseta niihin enemmän painoa kuin niiden nimellisraja, äläkä käytä niitä, jos kierteet ovat vaurioituneet. Varmista, että kuorma on keskitetty, jotta et rasita niitä sivuttain. Käytä aluslevyjä tai kauluksia voiman levittämiseen. Käytä pään yläpuolella nostamiseen sertifioitua takilaa niiden kanssa.

        Tuotteen parametrit

        Lifting Eye Bolts

        FAQ

        K: Kuinka valitsen taotun välillänostosilmukkapulttija hitsattu Silmäpultti?

        V: Taotuilla on suurempi lujuus ja ne sopivat paremmin raskaiden esineiden nostotöihin. Tämä johtuu siitä, että taontaprosessi voi järjestää metallikuidut siististi yhteen, mikä tekee niistä tukevampia ja kestävämpiä. Taotun tyypin hinta on korkeampi kuin hitsatun tyypin. Hitsatulla tyypillä (kuten rengas- tai tiivistetyyppi) on halvempi hinta ja se soveltuu ei-kriittisiin staattisiin kuormiin. Sen hitsisauma voi kuitenkin muodostua heikoksi pisteeksi, joten se ei kestä raskaita kuormia ja sen kantokyky on heikompi. Tilanteisiin, joissa raskaita esineitä on nostettava, on valittava taotut rengaspultit, joilla on luotettava sertifiointi (esim. ISO 9001). Hitsattuja pultteja voidaan käyttää kiinnitykseen tai ankkurointiin ilman äkillisiä tai liikkuvia voimia normaaleissa olosuhteissa. Jos olet epävarma painovaatimuksista, ota yhteyttä tiimiimme - autamme sinua varmistamaan, että et tee väärää valintaa.


        Hot Tags: Lifting Eye Bolt, Kiina, valmistaja, toimittaja, tehdas
        Aiheeseen liittyvä luokka
        Lähetä kysely
        Ole hyvä ja lähetä kyselysi alla olevalla lomakkeella. Vastaamme sinulle 24 tunnin kuluessa.
        X
        Käytämme evästeitä tarjotaksemme sinulle paremman selauskokemuksen, analysoidaksemme sivuston liikennettä ja mukauttaaksemme sisältöä. Käyttämällä tätä sivustoa hyväksyt evästeiden käytön. Tietosuojakäytäntö
        Hylätä Hyväksyä