vartenlukituskaulus pulttikiinnitys, voit valita materiaalit tarpeidesi mukaan. Hiiliterästä (kuten SAE 1070/1095) käytetään, kun tarvitaan vahvaa materiaalia vaativiin töihin. Ruostumaton teräs (AISI 304/316) toimii hyvin paikoissa, joissa esineet voivat ruostua tai ruostua. Titaaniseokset ovat hyviä ilmailu- ja avaruustarvikkeille, joissa he tarvitsevat sitä kevyttä, mutta vahvaa. Tarjolla on myös erikoistuotteita, kuten Inconel® äärimmäisiin lämpötiloihin, joko todella kuumaan tai kylmään.
He testaavat jokaisen materiaalin huolellisesti varmistaakseen sen kestävyyden – tarkistavat, kuinka paljon se voi venyttää rikkoutumatta (jopa 1500 MPa) ja kuinka paljon se kestää kulumista ajan myötä. Monien materiaalien ansiosta tämä kiinnitysrengas voi toimia monissa erilaisissa ympäristöissä erittäin kylmistä paikoista korkealämpöisiin tehtaisiin.
Huolehtiminenlukituskaulus pulttikiinnitystarkoittaa pulttien kireyden, pinnan kulumisen tai ruosteen säännöllistä tarkistamista. Kiristä ruuvit huollon aikana valmistajan suosittelemaan momenttiin (yleensä 20-50 Nm). Käytä hellävaraisia puhdistusaineita pyyhkiäksesi roskat pois ja laita kierteisiin tarttumista estävää rasvaa, jotta ne on helpompi purkaa myöhemmin. Jos näet halkeamia tai rengas on epämuodostunut, vaihda se. Säilytä renkaat kuivassa paikassa valvotussa lämpötilassa, jotta ne eivät vaurioidu ennen asennusta. Tämän rutiinin noudattaminen auttaa niitä toimimaan parhaiten ja voi tehdä niistä jopa 30 % pidempään.

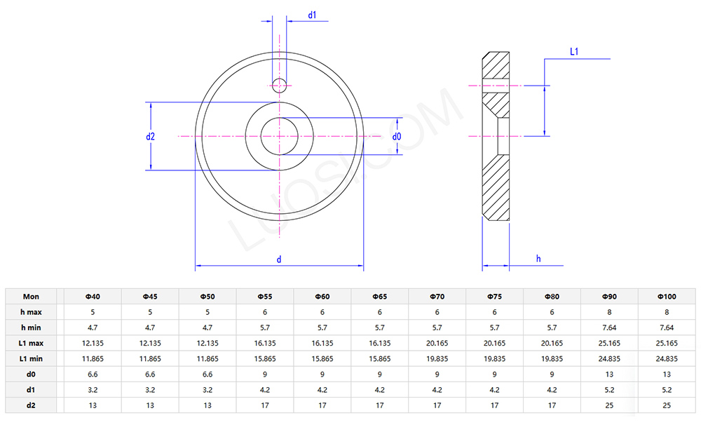
K: Kuinka määritän oikean koon alukituskaulus pulttikiinnitysakselini halkaisijalle?
V: Oikea valintalukituskaulus pulttikiinnitysriippuu akselisi paksuudesta (OD) ja kierretyypistä. Aloita mittaamalla akselin paksuus ja vertaamalla sitä valmistajan kokooppaaseen. Tärkeimmät huomioitavat asiat: kauluksen sisäkoon on vastattava akselin kierteitä, pultin kokoa ja kauluksen paksuutta. Jos akselisi ei ole kierre, sinun on ensin lisättävä kierteet. Tarkista aina, ovatko langat metrisiä vai keisarillisia – niiden sekoittaminen aiheuttaa päänsärkyä. Parittoman kokoisille akseleille on olemassa mukautettuja kauluksia, mutta ne vievät ylimääräistä aikaa ja rahaa.
Pulttikiinnitteiset lukituskaulukset ovat pääosin hiiliterästä. Valitsemme tämän materiaalin, koska sillä on hyvä sitkeys ja kulutuskestävyys, mikä täyttää tuotteen peruskäyttötarpeet.
Ennen kuin tuotteet lähtevät tehtaalta, pinnoitamme niiden pinnat ruosteenestokerroksella. Tämä käsittely estää kaulukset ruostumasta, kun niitä käytetään kosteissa olosuhteissa tai säilytetään pitkään.
Meillä on myös valinnaisia materiaaleja, kuten ruostumaton teräs, asiakkaille, jotka tarvitsevat parempaa korroosionkestävyyttä. Tuotteen materiaalipaksuus on suunniteltu standardien kantavuusvaatimusten mukaan, joten se ei muotoudu tai murtu normaalikäytössä.
Pulttiosa on valmistettu samasta materiaalista kuin kaulus, joten koko tuotteella on tasainen suorituskyky ja vakaus.
Pulttikiinnitettävien lukituskaulustemme toimituskulut riippuvat siitä, minne lähetät ne, minkä toimitustavan valitset ja kuinka monta tilaat.
Jos käytät tavallista logistiikkaa, kustannukset ovat alhaisemmat, mutta toimitus kestää hieman kauemmin - yleensä 3–7 työpäivää. Pikatilauksille voit valita pikatoimituksen, mutta se maksaa enemmän. Tarkka lisämaksu riippuu siitä, kuinka pitkälle lähetyksen on mentävä.
Kun tilauksesi saavuttaa tietyn määrän, katamme toimituskulut puolestasi. Jokainen tuote on pieni ja kevyt, joten edes pienissä erätilauksissa ei ole superkorkeita toimituskuluja.
Ennen kuin lähetämme mitään, pakkaamme kaulukset kunnolla, jotta ne eivät vaurioidu kuljetuksen aikana. Ja tämä pakkauskulut sisältyvät jo toimitusmaksuun – sinun ei tarvitse maksaa siitä ylimääräistä.
Jos haluat tietää tarkat toimituskulut, kysy asiakaspalvelustamme. He laskevat sen tilaustietojesi perusteella.
K: Mikä on pulttikiinnityksellä varustetun lukituskauluksen MOQ ja toimitusaika, ja tarjoatko joukkotilausalennuksia?
V: Pulttikiinnityksellä varustetun vakiolukituskauluksen vähimmäistilausmäärä (MOQ) on 300 kappaletta, ja toimitusaika on 7–10 työpäivää tavallisissa tilauksissa. Yli 5000 kappaleen suurtilauksille tarjoamme porrastettuja alennuksia (3–10 % alennus) hankintakustannusten vähentämiseksi. Mukautetun pulttikiinnityksellä varustetun lukituskauluksen MOQ on 500 kappaletta ja toimitusaika 12–18 työpäivää, mukaan lukien näytteen validointi ja tuotantoaikataulu.