Koti > Tuotteet > Hitsausmutterit > Hitsausruuvi > Pohjaprojektiohitsausruuvit
        Pohjaprojektiohitsausruuvit
        • PohjaprojektiohitsausruuvitPohjaprojektiohitsausruuvit
        • PohjaprojektiohitsausruuvitPohjaprojektiohitsausruuvit
        • PohjaprojektiohitsausruuvitPohjaprojektiohitsausruuvit

        Pohjaprojektiohitsausruuvit

        Pohjahitsausruuvit voidaan hitsata tiukasti metallipintoihin. Sen päällä on kierteet ja sitä voidaan käyttää osien liittämiseen. Ne sopivat raskaisiin koneisiin, teräsrakenteisiin tai teollisuuslaitteisiin, jotka vaativat lujan ja pysyvän kiinnityksen. Xiaoguo® Company tarjoaa käytännöllisiä vaihtoehtoja.
        Malli:QC/T 598-1999

        Lähetä kysely

        Tuotteen Kuvaus

        Alahitsausruuvien pää on pyöreä ja siinä on pienet hitsauskohdat. Ruuvi on muodoltaan lieriömäinen ja sen pintaan on kaiverrettu säännöllisiä ja hienoja kierteitä. Niitä on saatavana eri kokoisina, joista valita.

        Sovellukset

        Projektiohitsausruuvia käytetään rakennusten sisustamiseen. Sisustuksessa näitä pultteja käytetään ovien ja ikkunoiden, koristepaneelien, kattopalkkien ja muiden komponenttien kiinnittämiseen; joissakin teräsrakenteisten rakennusten pienissä liitososissa niitä voidaan käyttää myös liittämiseen. Ne ovat erittäin käteviä.

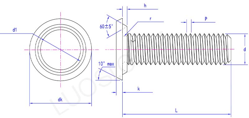
        bottom projection weld screws parameter

        ma
        M4 M5 M6 M8 M10 M12
        P
        0.7 0.8 1 1.25 1.5 1.75
        dk max
        11.5 12.5 14.5 19 21 24
        dk min
        11.23 12.23 14.23 18.67 20.67 23.67
        k max
        2 2.5 2.5 3.5 4 5
        k min
        1.75 2.25 2.25 3.25 3.75 4.75
        r min
        0.2 0.2 0.3 0.3 0.4 0.4
        d1 max
        8.75 9.75 10.75 14.25 16.25 18.75
        d1 min
        8.5 9.5 10.5 14 16 18.5
        h max
        1.25 1.25 1.25 1.45 1.45 1.65
        h min
        0.9 0.9 0.9 1.1 1.1 1.3

        Pohjaprojektiohitsausruuveja käytetään myös mekaanisessa valmistusteollisuudessa. Niitä voidaan soveltaa mekaanisten laitteiden yleiseen kokoonpanoon, kuten pienten koneiden ja instrumenttien komponenttien liittämiseen, jolloin varmistetaan, että koneen jokainen osa pysyy paikallaan käytön aikana ja toimii vakaasti.

        Tätä ulokehitsausruuvia käytetään elektronisten laitteiden kokoonpanossa. Joidenkin elektroniikkalaitteiden koteloiden ja sisäisten tukien liitoksiin, joilla on korkeat ulkonäkövaatimukset ja jotka vaativat tiettyä kiristysvoimaa, tämäntyyppinen pultti sopii varsin hyvin. Se varmistaa vakaan yhteyden vaikuttamatta laitteen ulkonäköön.

        Tuotteen ominaisuus

        Alahitsausruuveilla on suhteellisen sileä pinta asennuksen jälkeen, mikä vähentää ihmisten tai muiden esineiden naarmuuntumista. Pään hitsauspisteitä voidaan käyttää esihitsaukseenpulttitiettyyn komponenttiin, mikä helpottaa myöhempää kokoonpanoa. Kierretarkkuus on korkea, mikä mahdollistaa sen kiinnittymisen tiukasti vastaavaan mutteriin, mikä tarjoaa luotettavan kiinnitysvaikutuksen ja säilyttää hyvän liitoskyvyn jopa useiden purkamisen ja uudelleenasennuksen jälkeen.


        Hot Tags: Pohjaprojektiohitsausruuvit, Kiina, valmistaja, toimittaja, tehdas
        Aiheeseen liittyvä luokka
        Lähetä kysely
        Ole hyvä ja lähetä kyselysi alla olevalla lomakkeella. Vastaamme sinulle 24 tunnin kuluessa.
        X
        Käytämme evästeitä tarjotaksemme sinulle paremman selauskokemuksen, analysoidaksemme sivuston liikennettä ja mukauttaaksemme sisältöä. Käyttämällä tätä sivustoa hyväksyt evästeiden käytön. Tietosuojakäytäntö
        Hylätä Hyväksyä