Koti > Tuotteet > Mutteri > Kuusikulmainen laippamutteri > Kustannustehokas hitsauslaippamutteri
        Kustannustehokas hitsauslaippamutteri
        • Kustannustehokas hitsauslaippamutteriKustannustehokas hitsauslaippamutteri
        • Kustannustehokas hitsauslaippamutteriKustannustehokas hitsauslaippamutteri
        • Kustannustehokas hitsauslaippamutteriKustannustehokas hitsauslaippamutteri
        • Kustannustehokas hitsauslaippamutteriKustannustehokas hitsauslaippamutteri
        • Kustannustehokas hitsauslaippamutteriKustannustehokas hitsauslaippamutteri

        Kustannustehokas hitsauslaippamutteri

        Kustannustehokkaan hitsauslaippamutterin mukana tulee usein erilaisia ​​pintakäsittelyjä, kuten sinkitys, joka suojaa sitä ruosteelta ennen hitsausta ja pidentää sen käyttöikää. Xiaoguo® on toiminut kiinnitinliiketoiminnassa yli 15 vuoden ajan keskittyen korkealaatuisten pulttien, muttereiden ja aluslevyjen kauppaan asiakkaille maailmanlaajuisesti – vakiintuneen luotettujen toimittajien verkoston avulla, joka varmistaa tuotteiden tasaisen laadun ja tilausten oikea-aikaisen toteuttamisen.
        Malli:Q 366-2012

        Lähetä kysely

        Tuotteen Kuvaus

        Raskaita kuormia kuljettavissa sovelluksissa kustannustehokkaiden hitsauslaippamutterien tiedetään toimivan hyvin. Koska mutteri on hitsattu ja valmistettu vahvoista materiaaleista, se kestää paljon painoa. Näitä muttereita käytetään tärkeissä rakenteissa, kuten silloissa tai suurissa teollisuuskoneissa, joissa ne yhdistävät olennaiset osat. Laippa auttaa levittämään painetta tasaisesti ja pitämään liitoksen tiukkana myös rasituksessa, mikä on avainasemassa, jotta kaikki pysyy turvassa ja toimii niin kuin pitää.

        Tuotetiedot

        Kustannustehokkaan hitsauslaippamutterin kierteet on valmistettu vastaamaan alan standardikokoja, joten ne sopivat tavallisiin pultteihin ja ruuveihin ongelmitta. Olipa kyse metrisestä tai yhtenäisestä kierteestä, mutteri kiinnittyy pehmeästi ja pysyy tiukkana. Hyvä kierteitys auttaa myös vastustamaan mutterin tärinää tärinästä, mikä tekee siitä luotettavan valinnan liikkuvissa tai kovassa tärinätilanteissa.

        K: Onko kustannustehokkaan hitsauslaippamutterin pinnan viimeistely tärkeä hitsauksen kannalta?

        V: Kyllä, puhdas, tasainen pinta on kriittinen. Vaikka sinkitty kustannustehokas hitsauslaippamutterimme tarjoaa suojaa, pinnoitus on poistettava hitsauskontaktialueelta, jotta varmistetaan puhdas, vahva metallurginen sidos ja estetään hitsin kontaminaatio.

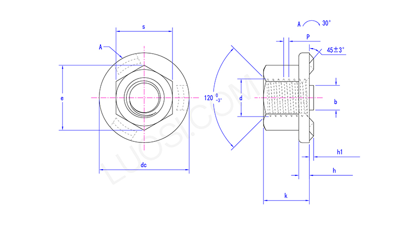
        ma M5 M6 M8 M10 M12 M14 M16
        P 0.8 1 1.25 1.5 1.75 2 2
        h1 max 0.9 0.9 1.1 1.3 1.3 1.3 1.3
        h1 min 0.7 0.7 0.9 1.1 1.1 1.1 1.1
        dc max 15.5 18.5 22.5 26.5 30.5 33.5 36.5
        dc min 14.5 17.5 21.5 25.5 29.5 32.5 35.5
        e min 8.2 10.6 13.6 16.9 19.4 22.4 25
        h max 1.95 2.25 2.75 3.25 3.25 4.25 4.25
        h min 1.45 1.75 2.25 2.75 2.75 3.75 3.75
        b max 4.1 5.1 6.1 7.1 8.1 8.1 8.1
        b min 3.9
        4.9
        5.9
        6.9
        7.9
        7.9
        7.9
        k min 4.7 6.64 9.64 12.57 14.57 16.16 18.66
        k max 5 7 10 13 15 17 19.5
        s max 8 10 13 16 18 21 24
        s min 7.64 9.64 12.57 15.57 17.57 20.16 23.16


        Hot Tags: Kustannustehokas hitsauslaippamutteri, Kiina, valmistaja, toimittaja, tehdas
        Aiheeseen liittyvä luokka
        Lähetä kysely
        Ole hyvä ja lähetä kyselysi alla olevalla lomakkeella. Vastaamme sinulle 24 tunnin kuluessa.
        X
        Käytämme evästeitä tarjotaksemme sinulle paremman selauskokemuksen, analysoidaksemme sivuston liikennettä ja mukauttaaksemme sisältöä. Käyttämällä tätä sivustoa hyväksyt evästeiden käytön. Tietosuojakäytäntö
        Hylätä Hyväksyä