Koti > Tuotteet > Mutteri > Kuusiomutteri > Kuusiokoloinen litteä mutteri
        Kuusiokoloinen litteä mutteri

        Kuusiokoloinen litteä mutteri

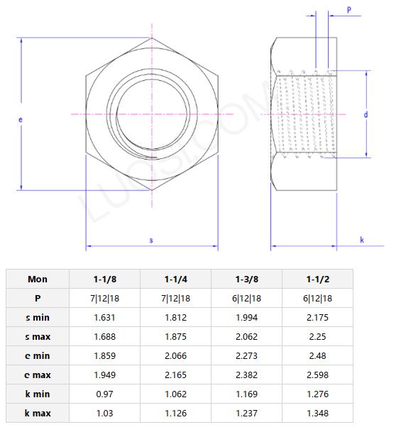
        Kuusiokolomutteri on tasaisella laakeripinnalla varustettu kuusikulmainen kiinnike, joka on suunniteltu jakamaan voima tasaisesti ja jota ei ole helppo löystyä tärinän vaikutuksesta pulttien kanssa käytettäessä.Xiaoguo® ulkomaankaupan alalla, asiakas ensin. Samaan aikaan, rikas tuotetyyppejä, yhden luukun tavata asiakkaiden hankintoja.
        Malli:ASME/ANSI B18.2.2-2-1993

        Lähetä kysely

        Tuotteen Kuvaus


        Kuusiokolomutteri on kuusisivuinen kiinnitin, jossa on tasainen laakeripinta, joka on suunniteltu jakamaan tasaisesti puristusvoimat mekaanisten, autojen ja rakennusosien liitoksiin. Toisin kuin laippamutterit tai kupumutterit, mutterin matala profiili minimoi tilavuuden, mikä tekee niistä ihanteellisia ahtaisiin tiloihin, joissa tilaa on rajoitetusti. Sen kuusikulmainen muoto tekee tavallisen jakoavaimen tai hylsyn kiristämisen helpoksi, mikä varmistaa yhteensopivuuden maailmanlaajuisten pulttijärjestelmien kanssa. ISO 4032 (metrinen) ja ASME B18.2.2 (Imperial) standardien mukaan valmistettu kuusiomutteri takaa tarkan kierteityksen ja luotettavan suorituskyvyn suurilla vääntömomenteilla. Kestävyytensä ja helppokäyttöisyytensä ansiosta niitä käytetään laajalti rakennerungoissa, putkissa ja teollisuuslaitteissa.



        Tuotetiedot ja parametrit

        Kuusiokolomutterimme täyttää kansainväliset standardit (ISO 9001, ASME B18.2.2) ja sen kovuus, vetolujuus ja kierteen kestävyys on testattu tiukasti. Tehdastestisertifikaatti (mtc) ja kolmannen osapuolen tarkastus (SGS, TUV) varmistavat jäljitettävyyden ja laadun yhdenmukaisuuden. Keskeisillä aloilla, kuten öljy/kaasu tai puolustus, kuusiomutterit ovat API 20E- tai NADCAP-määritysten mukaisia. Räätälöidyt tilaukset sisältävät täydellisen materiaalin sertifioinnin ja vaatimustenmukaisuuden auditoinnin dokumentaation, mikä takaa globaalin toimitusketjun luotettavuuden.

        Hex Flat Nut

        Hex Flat Nut



        Hex Flat Nut

        FAQ


        K: Mitkä ovat tärkeimmät erot kuusiomutterin ja neliömuttereiden välillä asennuksessa?

        V: Kuusiokolomutteri on suunniteltu kuusisivuiseksi ja sopii jakoavaimeen, joka perustuu litteisiin tai neliömäisiin uriin. Vaikka litteät mutterit tarjoavat paremman pääsyn ahtaissa tiloissa vakiotyökaluilla, nelikulmaiset mutterit toimivat hyvin manuaalisessa asennuksessa, jossa pyörimisvastus on kriittinen. Molemmat mutterit jakavat kuorman tasaisesti, mutta kuusiomutterit ovat edullisia raskaisiin koneisiin niiden jakoavainystävällisen rakenteensa vuoksi, kun taas neliömäiset mutterit sopivat pienivälisiin sovelluksiin ilman työkaluja.



        Meidän markkinat

        Markkinoida
        Tulot (edellinen vuosi)
        Kokonaistulo (%)
        Pohjois-Amerikka
        Luottamuksellinen
        20
        Etelä-Amerikka
        Luottamuksellinen 4
        Itä-Eurooppa 24
        Luottamuksellinen
        24
        Kaakkois-Aasia
        Luottamuksellinen
        2
        Afrikka
        Luottamuksellinen
        2
        Oseania
        Luottamuksellinen
        1
        Keski-itä
        Luottamuksellinen
        4
        Itä-Aasia
        Luottamuksellinen
        13
        Länsi-Eurooppaa
        Luottamuksellinen
        18
        Keski-Amerikka
        Luottamuksellinen
        6
        Pohjois-Eurooppa
        Luottamuksellinen
        2
        Etelä-Eurooppaa
        Luottamuksellinen
        1
        Etelä-Aasia
        Luottamuksellinen
        4

        Kotimaan markkinat

        Luottamuksellinen
        5


        Hot Tags: Kuusiokolomutteri, Kiina, valmistaja, toimittaja, tehdas
        Aiheeseen liittyvä luokka
        Lähetä kysely
        Ole hyvä ja lähetä kyselysi alla olevalla lomakkeella. Vastaamme sinulle 24 tunnin kuluessa.
        X
        Käytämme evästeitä tarjotaksemme sinulle paremman selauskokemuksen, analysoidaksemme sivuston liikennettä ja mukauttaaksemme sisältöä. Käyttämällä tätä sivustoa hyväksyt evästeiden käytön. Tietosuojakäytäntö
        Hylätä Hyväksyä