Kuusiomutterit ja kartioaluslevykokoonpanossopii epätasaisille tai vinoille pinnoille.Kuusikulmamutterittarjoavat vakiokierteet pulteille, kun taas kartiomaiset aluslevyt on säädetty sopivaan kaltevuuteen tai välykseen turvallisuuden vuoksi.

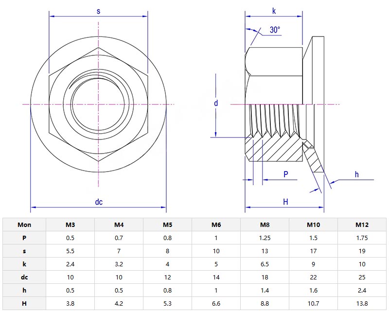
Thekuusiomutterit ja kartioaluslevykokoonpanotniissä on vakiokierre, kun taas kartiomaisessa aluslevyssä on vino pinta, joka mahdollistaa säädön jopa 10-15 astetta. Aluslevyn leveä pohja jakaa kuorman tasaisesti, ja kokoonpano toimii joko metrisillä tai imperial pulteilla. Se on kookkaampi kuin litteä aluslevy, mutta ratkaisee kohdistushaasteet.
Käyttääkuusiomutterit ja kartioaluslevykokoonpanoesturvatapultitkaltevilla tai epäsäännöllisillä pinnoilla. Se voi asentaa kannakkeita vinoihin teräspalkkeihin, asentaa laitteita epätasaiselle betonille tai kiinnittää koneen jalat kallioisille lattioille. Sen avulla on myös helppo asentaa vanhoja rakenteita, joissa on laskeutuvia tai taipuvia pintoja ajan myötä.
Hex mutterit ja kartioaluslevykokoonpanotovat yleisiä rakentamisessa (teräspalkit, telineet), kiskojärjestelmissä (raiteiden kiinnitys) ja maatalouskoneissa (kiinnikkeet epätasaisessa maastossa). Niitä käytetään myös sähköpylväissä, aurinkopaneelitelineissä ja tee-se-itse-projekteissa, kuten kansirakennuksessa. Missä tahansa pultit kohtaavat kulmikkaita tai karkeita pintoja, tämä yhdistelmä pitää asiat tiukkana.

| Markkinoida |
Kokonaistulo (%) |
| Pohjois-Amerikka |
10 |
| Itä-Eurooppaa |
23 |
| Kaakkois-Aasia |
3 |
| Keski-itä |
5 |
| Itä-Aasia |
18 |
| Länsi-Eurooppaa |
15 |
| Keski-Amerikka |
6 |
| Etelä-Aasia |
5 |
| Kotimaan markkinat |
15 |
Kuusiomutterit ja kartioaluslevykokoonpanoton alhaiset ylläpitokustannukset, ja sinun tarvitsee vain tarkistaa, onko tuote ruosteinen tai onko aluslevy vääntynyt sitä käytettäessä. Taipunut tiiviste on vaihdettava pidon säilyttämiseksi. Ne eivät sovellu äärimmäisiin kulmiin (yli 15 astetta) tai suuriin pyöriviin kuormiin. Ne ovat kustannustehokas ratkaisu useimpiin epätasapainoisiin töihin.