Koti > Tuotteet > Mutteri > Kuusiomutteri > Hexagon -kaulusmutteri korkeudella 1,5d
        Hexagon -kaulusmutteri korkeudella 1,5d
        • Hexagon -kaulusmutteri korkeudella 1,5dHexagon -kaulusmutteri korkeudella 1,5d
        • Hexagon -kaulusmutteri korkeudella 1,5dHexagon -kaulusmutteri korkeudella 1,5d

        Hexagon -kaulusmutteri korkeudella 1,5d

        Xiaoguo® tarjoaa räätälöityjä kuusikulmamutteria, jonka korkeus on 1,5d, ainutlaatuisille kierteille tai kauluksen paksuudelle.Koolari estää löysäämisen, 1,5D -korkeus varmistaa oikean pultin sitoutumisen, säästää aikaa ja osat.
        Malli:DIN 6331-1991

        Lähetä kysely

        Tuotteen Kuvaus

        1,5d korkeusHexagon -kaulusmutteri korkeudella 1,5dOttelut teollisuusstandardit, kaulus vähentää kulumista. Testaa riskitöntä ennen irtotavaraa. Ei ruostetta, ei liukumista, vain luotettava kiinnitys.

        Hexagon Collar Nut With Height 1.5d

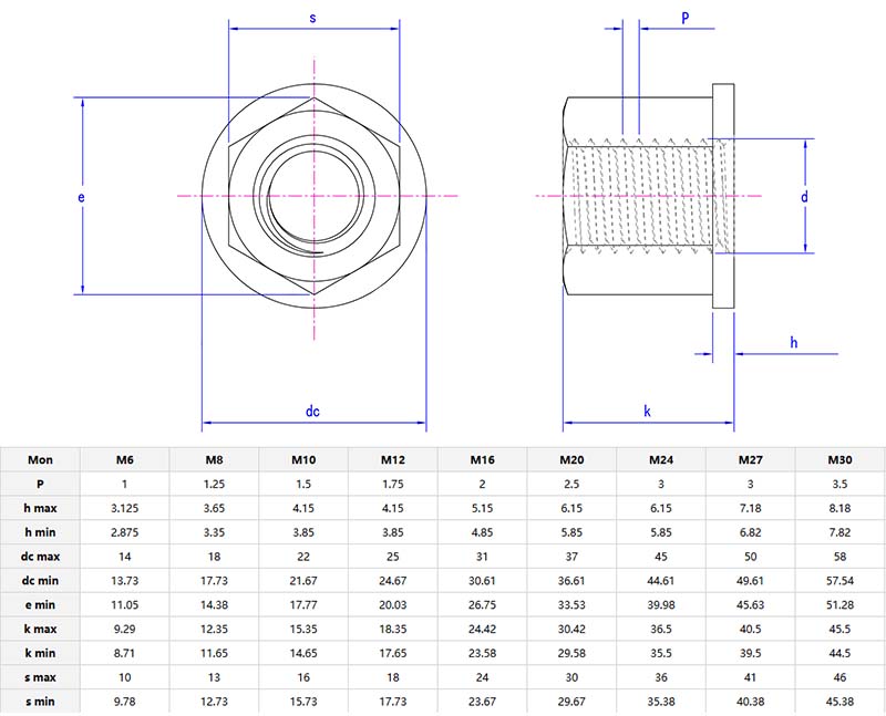
        Tuotetiedot ja parametrit

        Jos olet markkinoilla luotettaviaHexagon -kaulusmutteri korkeudella 1,5d, Katso Xiaoguo®: n kokoelma. Näitä pähkinöitä käytetään eri toimialoilla. Haluatko tilata ja myydä irtotavarana tai tarvitset vain muutaman pähkinän omaan käyttöön, Xiaoguo®: lla on kaikki mitä tarvitset. Mutterimme ovat kestäviä ja helppokäyttöisiä. Tarjoamme kilpailukykyisiä hintoja ja nopeaa toimitusta, joten voit säästää aikaa ja rahaa.

        Hexagon -kaulusmutteri korkeudella 1,5dVoi näyttää yksinkertaiselta, mutta ylimääräinen korkeus vaikuttaa. Se toimii kuin sisäänrakennettu pesukone, vähentäen langan strippausta pehmeissä materiaaleissa. Koot, kuten 3/8 "x 13Unc tai M8 x 1mm, sopivat erinomaisesti elektroniikan koteloihin tai pieniin mekaanisiin osiin. Korkeampi kaulus varmistaa myös, että pähkinät eivät uppoa pintoihin, jättäen huuhtelun viimeistelyn. Useimmat ovat 5 -luokan teräs, tasapainotusvoimakkuus ja kohtuuhintaisuus. Tarvitsetko niitä ulkotyöhön? Valitse musta oksidipinnoitte - ne vastustavat ruostetta parempaa kuin sinkki.

        Hexagon -kaulusmutteri korkeudella 1,5don pitää pultti kapeassa asennossa. Lisäkorkeus (1,5 -kertainen langan halkaisija) lisää vakautta. Niiden koko on M6 - M24 (metrinen) tai 1/4 tuumaa - 1 tuumaa (keisarillinen) ja ne on yleensä valmistettu hiiliterästä tai ruostumattomasta teräksestä voidaan tilata, jos haluat estää tuotteen ruostumisen. Tämä silmukka voi tehdä työn itsenäisesti. Sitä käytetään kiinnikkeiden korjaamiseen, pienten koneiden ja jopa DIY -huonekalujen kokoamiseen.

        Hexagon Collar Nut With Height 1.5d parameter


        Vianetsintä ja pitkäaikainen hoito

        Täytyy pitääHexagon -kaulusmutteri korkeudella 1,5dsujuu sujuvasti? Tässä on joitain pro -vinkkejä:

        Löysät mutterit: Jos mutteri alkaa löystyä, yritä kiristää se varovasti. Jos se jatkaa liukastumista, tarkista kierteiset vauriot tai jos pultti on liian lyhyt. Vältä vasaran käyttöä sen hillitsemiseksi - tämä voi murtaa kauluksen.

        Korroosionhallinta: Jos havaitset ruostetta, puhdista langan langan harja ja päällystä sitten ruoste -estäjällä. Vakaa ruoste, korvaa mutteri rakenteellisen heikkouden riskin sijasta. Suolavesiympäristöt vaativat ylimääräisiä yleisiä tarkastuksia.

        Milloin korvata: Vaihda mutterit, jos näet jotain näistä ongelmista: kaulushalkeat, kierteet, jotka ovat kuluneet 20%tai jos mutteria ei voida kiristää kokonaan. Älä odota, kunnes epäonnistuminen tapahtuu!

        DIY -turvallisuus: Kun työskentelet näiden pähkinöiden kanssa, käytä silmäsuojaa ja käsineitä. Käytä puristimia löysien osien turvaamiseksi, lentävät pultit voivat aiheuttaa vakavia vammoja.


        Hot Tags: Hexagon -kaulusmutteri korkeus 1,5d, Kiina, valmistaja, toimittaja, tehdas
        Aiheeseen liittyvä luokka
        Lähetä kysely
        Ole hyvä ja lähetä kyselysi alla olevalla lomakkeella. Vastaamme sinulle 24 tunnin kuluessa.
        X
        Käytämme evästeitä tarjotaksemme sinulle paremman selauskokemuksen, analysoidaksemme sivuston liikennettä ja mukauttaaksemme sisältöä. Käyttämällä tätä sivustoa hyväksyt evästeiden käytön. Tietosuojakäytäntö
        Hylätä Hyväksyä