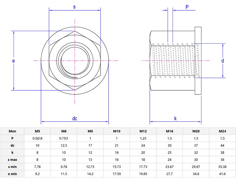
Kuusikulmamutteri kauluksellaon tavallinen kuusiomutteri. Kuusikulmaisen pään alla on pidennetty sylinterimäinen kaulus. Kaulus lisää kierteiden kiinnittymistä ja suojaa pultin kierteitä vaurioilta. Kaulus toimii kuin sisäänrakennettu aluslevy.

Kuusikulmamutteri kauluksellaon käytännöllinen kiinnitys, jossa kaulus ulottuu kuusiopään alapuolelle, jolloin saat 2-3 ylimääräistä kierrettä turvallisempaan otteeseen. Vakio kuusikulmaista muotoa voidaan käyttää kaikkien tavallisten jakoavaimien kanssa, ja kauluksen sileä reuna helpottaa työntekijöiden asentamista. Vaikka sisäänrakennettu kaulus on hieman painavampi kuin perusmutteri, se lisää lujuutta ja eliminoi erillisen aluslevyn tai tiivisteen tarpeen. Kun tarvitset lisäkierrekiinnitystä tai haluat minimoida paljastuneet terävät reunat mekaanisessa, rakentamisessa, suosittelemme valitsemaan meidänkuusiomutteri kauluksella.

Miksi valitakuusiomutteri kauluksella?
Kaulus pitää pultin pidempään, mikä vähentää kierteen katoamisen riskiä raskaan kuormituksen aikana. Se voi peittää myös terävät pultinpäät, mikä tekee siitä turvallisemman käyttää leikkikentillä, huonekaluissa tai laitteissa. Pitää vain asentaa mutteri, kauluksella voi olla kaksinkertainen rooli. Ihanteellinen ympäristöihin, joissa pultin pituus muuttuu tai kierteet vaativat suojaa.
Kuusikulmamutteri kauluksellakäytetään autoissa (jousitusjärjestelmät, moottorin kiinnikkeet), rakentamisessa ja maataloudessa. Niitä käytetään myös huonekalujen kokoonpanossa, kuntolaitteissa ja tee-se-itse-projekteissa, joissa pultteja säädetään usein.
Kuusikulmamutteri kauluksellalisää lankaturvaa. Ylimääräisiä välilevyjä tai suojuksia ei tarvita, tämä on täydellinen tee-se-itse-harrastajille tai teollisuudenaloille, jotka asettavat etusijalle tehokkuuden. Se on hieman kalliimpi, mutta se säästää aikaa ja vähentää käytettyjen osien määrää.