Ohut korkeusvallitsevan vääntömomentin tyyppiset kuusikulmaiset ohuet mutteritsopii sinne, missä isot mutterit eivät sovi. Se on helppo asentaa perustyökaluilla, ja koska se on itselukittuva, siihen ei tarvitse lisätä osia, kuten lukkolevyjä.

löydätvallitsevan vääntömomentin tyyppiset kuusikulmaiset ohuet mutteritautojen kokoonpanoissa (kuten moottorin kiinnikkeissä tai vaihteistoissa), ilmailuteollisuudessa (kevyiden paneelien kiinnitys) ja elektroniikassa (piirilevyjen tai pienten komponenttien kiinnitys). Niitä käytetään myös robotiikassa, lääketieteellisissä laitteissa ja LVI-järjestelmissä – kaikkialla, missä tilaa on vähän ja tärinä uhkaa tavallisia pähkinöitä.
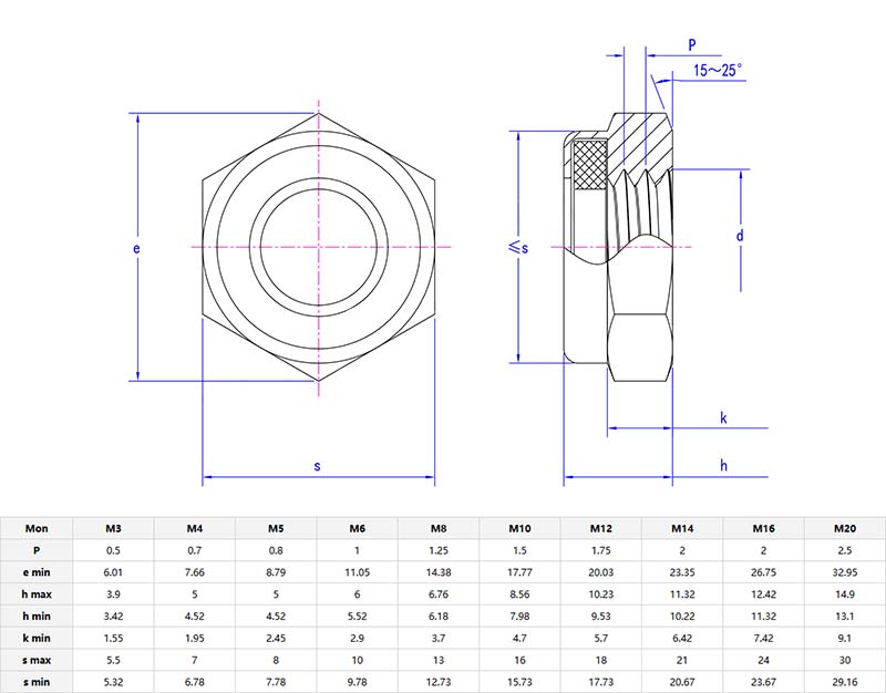
Nämävallitsevan vääntömomentin tyyppiset kuusikulmaiset ohuet mutteritovat ohuita mutta tukevia. Ne toimivat tavallisilla jakoavaimilla, ja ne käyttävät puristettuja kierteitä tai nailonkärkiä pulttien kiinnittämiseen tiukasti. Valmistettu kestävästä teräksestä tai ruostumattomista metalleista. Sopii hyvin ahtaisiin tiloihin tai kerroksittain, koska ne ovat niin tasaisia. Huomio: Jos irrotat ne, ne menettävät lukitusvoimansa - heitä ne käytön jälkeen.

| Markkinoida |
Kokonaistulo (%) |
| Pohjois-Amerikassa |
16 |
| Itä-Eurooppaa |
21 |
| Kaakkois-Aasia |
3 |
| Keski-itä |
5 |
| Itä-Aasia |
20 |
| Länsi-Eurooppaa |
15 |
| Keski-Amerikka |
6 |
| Etelä-Aasia |
5 |
| Kotimaan markkinat |
9 |
Vallitseva vääntömomenttityyppiset kuusikulmaiset ohuet mutteritkiinnitä anturit ahtaissa tiloissa pysyen tiukassa moottorin tärinästä huolimatta. Tai tehdasrobotin käsivarsi – nämä mutterit pitävät liitokset lukittuina lisäämättä massaa. Jopa kodinkoneissa, kuten mikroaaltouunissa, ne kiinnittävät sisäosat, joilla ei ole varaa kolisea irti. Yksinkertainen korjaus, suuri vaikutus.