Koti > Tuotteet > Mutteri > Kuusiomutteri > Järjestelmä HR Suuret kuusikulmiot mutterit
      Järjestelmä HR Suuret kuusikulmiot mutterit
      • Järjestelmä HR Suuret kuusikulmiot mutteritJärjestelmä HR Suuret kuusikulmiot mutterit
      • Järjestelmä HR Suuret kuusikulmiot mutteritJärjestelmä HR Suuret kuusikulmiot mutterit
      • Järjestelmä HR Suuret kuusikulmiot mutteritJärjestelmä HR Suuret kuusikulmiot mutterit

      Järjestelmä HR Suuret kuusikulmiot mutterit

      Järjestelmä HR Suuret kuusikulmamutterit ovat osa esikopistettua erittäin lujaa pulttia rakenneyhteysparia, jota käytetään yhdessä HR-tyypin suurten kuusikulmioiden pään pulttien kanssa, ja niitä käytetään usein rakennusteollisuuden teräsrakenteissa. Xiaoguo® Professional -valmistajien tuotteet on testattu ja täyttää laatustandardit, ja ne ovat edullisia.
      Malli:EN 14399-7-2007

      Lähetä kysely

      Tuotteen Kuvaus

      Järjestelmä HR Suuret kuusikulmiot mutteritkäytetään yhdessä suurikokoisten pulttien kanssa ja niitä käytetään yleensä työpaikoissa, jotka vaativat suurempaa voimaa ja vakautta. Niitä käytetään usein rakennusteollisuudessa, kuten teräsrakenteen rakennuksissa, palkkien ja pylväiden kiinnittämiseksi yhteen.

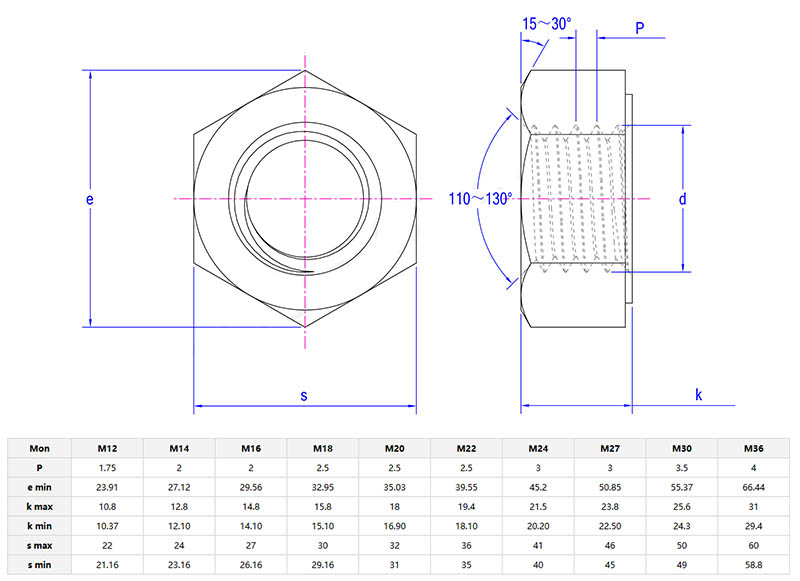
      Tuotetiedot ja parametrit

      System HR large hexagon nuts

      Joitakin yksityiskohtia on huomattava asennettaessa System HR suuria kuusikulmimuttereita. Ensinnäkin, varmista, että mutterin lankakoko vastaa pulttia tarkalleen. Mikä tahansa epäsuhta voi johtaa epävarmaan yhteyteen. Kun olet löytänyt sopivan mutterin, laita mutteri pulttiin. Nosta sitten jakoavain. Käännä jakoavain myötäpäivään mutterin kiristämiseksi. Koska nämä mutterit soveltuvat erittäin lujiin sovelluksiin, niiden kiristämiseksi on asetettava huomattava voima.

      Rakennusteollisuudessa suuria kuusikulmimuttereita käytetään teräsrakenteen rakennusten rakentamiseen. Työntekijät käyttivät näitä muttereita palkkien ja pylväiden kiinnittämiseen rakennuksen kiinteiden kehysten rakentamiseksi. Sillanrakennuksessa ne ovat erittäin tärkeitä sillan rakenteen yhdistämisessä varmistaen, että se voi tukea ajoneuvojen ja luonnonvoimien painoa. Niitä käytetään myös suurten varastojen ja teollisuuslaitosten rakentamiseen.

      Järjestelmä HR Suuret kuusikulmiot mutteritkäytetään kaivoslaitteissa, tuuliturbiineissa tai raskaita rakennuslaitteita. Niitä käytetään usein korkean stressiympäristöissä, kuten terästehtaissa tai telakoissa, ja niiden suuri kuusikulmainen muoto soveltuu teollisiin jakoavaimiin. Viljelijät käyttävät niitä traktoreissa. Tehtaat luottavat niihin siirtojärjestelmien asentamiseen.

      System HR large hexagon nuts

      Koko näkökohdat

      Järjestelmä HR Suuri kuusikulmioson saatavana erikokoisina. Pienempiä kokoa (kuten M12: n ympärillä) voidaan käyttää pieniin rakenteisiin, jotka vaativat edelleen kiinteää yhteyttä. Esimerkiksi pienten metallikehysten rakentaminen laitteille tai tietyille kevyille teollisuuslaitteille. Suuremmat koot (joissain tapauksissa jopa M36 tai jopa suurempi) sopivat suuriin rakennushankkeisiin. Kun rakennetaan suuria teollisuuskasveja tai monikerroksisia rakennuksia, näitä suurikokoisia muttereita käytetään pääkomponenttien kiinnittämiseen. On erittäin tärkeää mitata pultin koko tarkasti ennen mutterin valitsemista.

      Hot Tags: Järjestelmä HR Suuret kuusikulmiopähkinät, Kiina, valmistaja, toimittaja, tehdas
      Aiheeseen liittyvä luokka
      Lähetä kysely
      Ole hyvä ja lähetä kyselysi alla olevalla lomakkeella. Vastaamme sinulle 24 tunnin kuluessa.
      X
      We use cookies to offer you a better browsing experience, analyze site traffic and personalize content. By using this site, you agree to our use of cookies. Privacy Policy
      Reject Accept