Koti > Tuotteet > Mutteri > Kuusiomutteri > Tyyppi 2 yksittäinen viistetty kuusikulmainen mutteri
      Tyyppi 2 yksittäinen viistetty kuusikulmainen mutteri
      • Tyyppi 2 yksittäinen viistetty kuusikulmainen mutteriTyyppi 2 yksittäinen viistetty kuusikulmainen mutteri
      • Tyyppi 2 yksittäinen viistetty kuusikulmainen mutteriTyyppi 2 yksittäinen viistetty kuusikulmainen mutteri
      • Tyyppi 2 yksittäinen viistetty kuusikulmainen mutteriTyyppi 2 yksittäinen viistetty kuusikulmainen mutteri

      Tyyppi 2 yksittäinen viistetty kuusikulmainen mutteri

      Tyypin 2 yksittäisiä viistettyjä kuusikulmaisia ​​muttereita voidaan käyttää ympäristöissä, joissa vakiomuttereita ei voida käyttää. Tyypin 2 mutterien korkeus on noin 10% korkeampi kuin tyypin 1. Kun ostat Xiaoguo®: lta, takaa, että tarjoamme sinulle korkealaatuisia tuotteita, jotka vastaavat kiinnitystarpeisiisi.
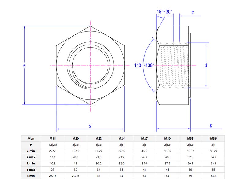
      Malli:JIS B1181-6-1993

      Lähetä kysely

      Tuotteen Kuvaus

      Tyyppi 2 yksittäinen viistetty kuusikulmainen mutterion paksumpi ja vahvempi kuin tyyppi 1, ja kuormakapasiteetti on korkeampi kuin tyypin 1, mikä tekee niistä sopivia raskaita kuormituksia tai korkean tarvittavan skenaarioita. Tyyppi 1 soveltuu kevyelle työhön, kun taas tyyppi 2 soveltuu raskaille koneisiin tai rakenteellisiin kuormituksiin. Tyyppi 2 on kuitenkin kalliimpi ja raskaampi.

      Tyypin 2 yksittäinen viistetty kuusikulmainen mutteri on suhteellisen edullinen kuusikulmainen mutteri, joka ei vaadi lämpökäsittelyä. Tyypin 2 muttereita käytetään enimmäkseen sovelluksissa, joissa tarvitaan usein kokoonpanoa ja purkamista, kuten ilmailu-, auto-, rakennus-, kone- ja muita sovelluksia, jotka vaativat suhteellisen vahvoja liittimiä.

      Tuotetiedot ja parametrit

      Type 2 single chamfered hexagon nut


      Tyyppi 2 Yksittäinen viistetty kuusikulmimutteri on asennettu kuorma -autokehyksiin, kuljetinhihnajärjestelmiin tai maatalouslaitteisiin. Ne kestävät suuremman vääntömomentin, estäen mutterin strippaamisen, ja chamfer auttaa kohdistamaan pultin nopeasti. Ne ovat liian hankalia hyllyille tai peruskalusteille.

      Kun valitsetTyyppi 2 yksittäinen viistetty kuusikulmainen mutteri, pultin kokoa tulisi harkita ensin. Yhdistä kierteen halkaisija (esim. M12, ¾ ") ja sävelkorkeus (karkea lanka tai hieno lanka). Jamfering lisää pienen kulman langan toiseen puoleen. Kiristettäessä vältä langat vääristynyt

      Tyypin 2 yksittäinen viistetty kuusikulmainen mutteri voi ohjata pultteja nopeammin, vähentäen siten massatuotannon laitteiden seisokkeja. Hot-DIP-galvanoidut pähkinät sopivat ulkokäyttöön, mutta niitä tulisi välttää syövyttävissä ympäristöissä, joissa pinnoite voi kulua. Älä käytä muttereita uudelleen hylättyihin laitteisiin.


      Type 2 single chamfered hexagon nut

      Asennusvinkit

      AsennettaessaTyyppi 2 yksittäinen viistetty kuusikulmainen mutteri, Chamfer kohtaa pultin, jotta kierteitetty liitäntä olisi sujuvampaa. Kiristä sitä vääntömomenttien jakoavaimella. Ole varovainen, että liiallinen kiristäminen voi vahingoittaa pulttia. On suositeltavaa käyttää korkealaatuisia pultteja (samalla lujuusluokalla) ja kovetettuja aluslevyjä yhdistelmänä.

      Hot Tags: Tyyppi 2 yksittäinen kuusikulmio, Kiina, valmistaja, toimittaja, tehdas
      Aiheeseen liittyvä luokka
      Lähetä kysely
      Ole hyvä ja lähetä kyselysi alla olevalla lomakkeella. Vastaamme sinulle 24 tunnin kuluessa.
      X
      We use cookies to offer you a better browsing experience, analyze site traffic and personalize content. By using this site, you agree to our use of cookies. Privacy Policy
      Reject Accept